Haben Sie Fragen?

LA BELLE

Art. No. 5886
3072,58 €*
*Bei den Preisen handelt es sich um Bruttopreise für Privatkunden.

Bauanleitung

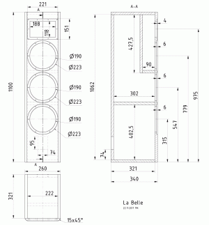
Explosionszeichnung

Aufbau

Die entsprechend der Zuschnittliste und der Zeichnungen vorbereiteten Platten werden einfach auf Stoß miteinander verleimt. Sinnvollerweise fängt man dabei mit einer Seitenwand an, auf die Rückwand, Boden, Deckel, sowie alle Innenteiler aufgeleimt werden. In diesem Stadium bietet es sich an, kleine Löcher für die Durchführung der Kabel von den Weichen zu den Lautsprechern zu bohren. Passend abgelängte Kabelstücke können dann bequem eingezogen werden und die Löcher direkt mit Heißkleber wieder luftdicht versiegelt werden. Anschließend wird die zweite Seitenwand aufgeleimt, und ganz zum Schluss die Schallwand.

Die Weiche für den Tieftonzweig wird im untersten Gehäuseteil auf die Bodenplatte geschraubt, die Weiche für den Mittel- und Hochtonbereich im oberen Tieftönergehäuse auf die Trennwand. Sie können durch die Öffnungen der TIW 200 XS - 8 Ohm in der Frontwand im Nachhinein eingeführt und an entsprechender Stelle befestigt werden.

Nun folgen die Bedämpfung der einzelnen Kammern, sowie die erste Anprobe der Lautsprecherchassis. Der Hochtöner KE 25 SC - 8 Ohm wird dabei mit dem Waveguide verschraubt, die dafür passenden Schrauben sind in der Verpackung des Waveguides enthalten. Um Störgeräusche zu vermeiden, empfiehlt es sich, die Verbindungsfläche mittels Dichtband oder wieder löslichem Kleber abzudichten. Die so entstandene Einheit "KE 25 SC - 8 Ohm + Waveguide WG 220x150" kann nun ebenfalls auf der Schallwand montiert werden.

Bedämpfung

Je 4 Matten Dämmwolle werden gleichmäßig in jeder Tieftönerkammer verteilt. 2 Matten werden in das Gehäuse des Mitteltöners gestopft, wobei eine Matte fest zusammengerollt in der Mitte zwischen Mitteltöner und Hochtöner angeordnet wird.
Die zweite kann geteilt werden und die Hälften locker in den Bereichen um den Mitteltöner bzw. um den Hochtöner herum angeordnet werden.

Zuschnittliste für 1 Box

Teile
Maße (mm)
Anzahl
Material: 19 mm Spanplatte oder MDF
Front
260 x 1100
1
Seite
321 x 1100
2
Boden/Deckel
321 x 222
2
Rückwand
1062 x 222
1
Rückwand Mitteltongehäuse
427,5 x 222
1
Boden Mitteltongehäuse
90 x 222
1
Trennwand Tiefton
302 x 222
1

Gehäusezeichnung

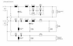
Frequenzweiche

Presse

Auszug aus Hobby HiFi

"Visatons La Belle ist die Box mit den zwei Gesichtern. Einerseits spielt sie feinnervig und stellt selbst winzigste Details der Musik überzeugend dar. Auf der anderen Seite kann sie es mächtig rocken lassen. Sie spielt aberwitzige Pegel scheinbar völlig mühelos und behält selbst in Extremsituationen jederzeit die Kontrolle über das Geschehen. ein äußerst reizvoller Lautsprecher und bei Bedarf ein ernsthaftes Werkzeug"

Auszug aus Hobby HiFi

„Räumlichkeit hat in einer Surroundanordnung eine andere Qualität als im Stereobetrieb ... Das funktioniert mit La Belle vorbildlich. Zum großrahmigen Raumeindruck gesellt sich eine punktgenaue Ortbarkeit akustischer Ereignisse, selbst wenn diese deutlich außermittig oder gar hinten stattfinden.“

„Fazit

Das La-Belle-Surroundsystem bietet Heimkino auf höchstem Niveau – qualitativ wie quantitativ. Dank überragender Dynamikreserven stellen die wohlbekannten akustischen Reißer gerade das richtige Futter für diese Lautsprecher dar. Darüber hinaus spielt La Belle hochmusikalisch und bietet bei Konzertmitschnitten audiophilen Genuss.“

Haben Sie Fragen?

Kontakt