Haben Sie Fragen?

AL 200 DV 2x8 OHM

20 cm (8") High-End-Tieftöner mit Doppelschwingspule (2 x 8 Ohm), steifer Aluminium- Membran, stabilem Aludruckgusskorb und elastischer Gummisicke. Geringste mechanische und elektrische Verluste durch Polkernventilierung, hinterlüftete Zentrierung und Kapton-Schwingspulenträger. Hohe Impulsdynamik durch leichte Alumembran. Hervorragend geeignet für passive Subwoofer, die mit einem Stereo-Signal angesteuert werden sollen.  

WEEE-Reg.-Nr.: DE 79837685

Nicht mehr im Programm
Technische Daten
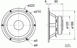
Zeichnung
Amplituden- und Impedanzfrequenzgang
Richtdiagramm
Nennbelastbarkeit 120 Watt
Musikbelastbarkeit 180 Watt
Nennimpedanz Z 4 Ohm
Übertragungsbereich (-10 dB) fu - 9000 Hz
(fu: untere Grenzfrequenz abhängig vom Gehäuse) .
Mittlerer Schalldruckpegel 88 dB (1W/1m)
Grenzauslenkung 20 mm
Resonanzfrequenz fs 34 Hz
Magnetische Induktion 1,3 Tesla
Magnetischer Fluss 930 µ Weber
Obere Polplattenhöhe 6 mm
Schwingspulendurchmesser 38 mm
Wickelhöhe 20 mm
Schallwandöffnung 190 mm
Gewicht netto 2,5 kg
Gleichstromwiderstand Rdc 3,2 Ohm
Mechanischer Q-Faktor Qms 4,19
Elektrischer Q-Faktor Qes 0,44
Gesamt-Q-Faktor Qts 0,4
Äquivalentes Luftnachgiebigkeitsvolumen Vas 68 l
Effektive Membranfläche Sd 216 cm2
Dynamische bewegte Masse Mms 21 g
Antriebsfaktor Bxl 5,95 T m
Schwingspuleninduktivität L 0,3 mH

Suchen Sie nach einer maßgeschneiderten Lösung?

Kontakt