Technische Daten
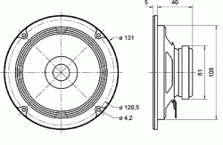
Zeichnung
Amplituden- und Impedanzfrequenzgang
Richtdiagramm
Nennbelastbarkeit 20 Watt
Musikbelastbarkeit 40 Watt
Nennimpedanz Z 8 Ohm
Übertragungsbereich (-10 dB) 120-20000 Hz
Mittlerer Schalldruckpegel 89 dB (1W/1m)
Grenzauslenkung 3 mm
Resonanzfrequenz fs 170 Hz
Magnetische Induktion 0,75 Tesla
Magnetischer Fluss 190 µW
Obere Polplattenhöhe 4 mm
Schwingspulendurchmesser 20 mm
Wickelhöhe 4,5 mm
Schallwandöffnung 110 mm
Gewicht netto 0,32 kg
Gleichstromwiderstand Rdc 6,5 Ohm
Mechanischer Q-Faktor Qms 4,22
Elektrischer Q-Faktor Qes 2,8
Gesamt-Q-Faktor Qts 1,68
Äquivalentes Luftnachgiebigkeitsvolumen Vas 1,55 l
Effektive Membranfläche Sd 75 cm2
Dynamische bewegte Masse Mms 4,5 g
Antriebsfaktor Bxl 3,15 T m
Schwingspuleninduktivität L 0,4 mH
Temperaturbereich -25 ... 70 °C

Suchen Sie nach einer maßgeschneiderten Lösung?

Kontakt