Haben Sie Fragen?

DL 18/1 F 100 V

17 cm (6.5") Deckenlautsprecher mit korrosionsbeständigem Abdeckgitter (RAL 9010), geeignet für den Einbau in Unterdecken aller Materialien. Schnellmontage durch einen kreisrunden Unterdeckenausschnitt, in den der Lautsprecher mit Trafo und Montagering in Snap-In-Technik eingesetzt wird. Das formschöne Abdeckgitter wird mit einer Bajonettverbindung schnell und praktisch befestigt.   Die eventuell notwendige Pegelanpassung erfolgt durch eine einfach zu handhabende Druckfederklemme.   Der DL 18/1 F enthält einen integrierten Schutz, der sicherstellt, dass Brandschäden am Lautsprecher nicht zum Ausfall des Schaltkreises führen können, an dem er angeschlossen ist. Der Lautsprecher ist mit Klemmleisten aus Keramik, einer thermischen Sicherung und einer hitzebeständigen Hochtemperaturverdrahtung ausgestattet und entspricht so den niederländischen (NEN 2575) und britischen (BS 5839) Vorschriften für Alarmsysteme.   Der Anschluss an das 100 V-Netz erfolgt über eine Keramikklemme. Eine zweite Klemme ermöglichet das Durchschleifen des Kabels. Die beiliegenden Zugentlastungen gewährleisten eine sichere Befestigung von Zuleitungskabeln mit 8; 12 oder 16 mm Durchmesser. Außerdem enthält der Lautsprecher einen Reihenkondensator für die Linienüberwachung.   Anwendungsmöglichkeiten: Deckenlautsprecher in 100 V Beschallungsanlagen in Verkaufsräumen, Schulen, Hotels etc.  

WEEE-Reg.-Nr.: DE 79837685

Nicht mehr im Programm
Technische Daten
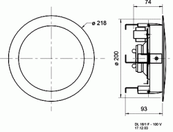
Zeichnung
Amplituden- und Impedanzfrequenzgang
Richtdiagramm
Übertragungsbereich (-10 dB) 70 - 20000 Hz
Mittlerer Schalldruckpegel 93 dB (1W/1m)
Resonanzfrequenz fs 100 Hz
Schwingspulendurchmesser 20 mm
Schallwandöffnung 200 mm
Gewicht netto 1,15 kg
Trafoanpassung 6 / 3 / 1,5 Watt
Schalldruckpegel 101 dB (1W/1m)@ 3260 Hz
Maximaler Schalldruckpegel 101 dB (6W/1m)
Empfindlichkeit 96 dB (1W/1m)
Temperaturbereich −25 ... 100 °C

Suchen Sie nach einer maßgeschneiderten Lösung?

Kontakt