Haben Sie Fragen?

DTW 8.12 NG 8 OHM

25 mm (1") HiFi Gewebekalotte mit rechteckiger Frontplatte für den Hochtonbereich ab 2000 Hz. Beschichtete Gewebekalotte mit linearem Frequenzgang und kräftigem Magnetsystem für hohen Wirkungsgrad. Hohe Belastbarkeit durch mit Ferrofluid gefüllten Luftspalt. Geeignet für 2- und 3-Wege-Kombinationen. Durch die spezielle Frontplattenabmessung besonders geeignet als Ersatzbestückung für viele HiFi-Fertigboxen.  

WEEE-Reg.-Nr.: DE 79837685

Nicht mehr im Programm
Technische Daten
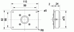
Zeichnung
Amplituden- und Impedanzfrequenzgang
Nennimpedanz Z 8 Ohm
Übertragungsbereich (-10 dB) 1000 - 22000 Hz
Mittlerer Schalldruckpegel 90 dB (1W/1m)
Resonanzfrequenz fs 1700 Hz
Magnetische Induktion 1,6 Tesla
Magnetischer Fluss 380 µ Weber
Schwingspulendurchmesser 2,5 cm
Schallwandöffnung 8 cm
Gewicht netto 0,55 kg
Gleichstromwiderstand Rdc 5,8 Ohm
Mechanischer Q-Faktor Qms 0,85
Elektrischer Q-Faktor Qes 1,55
Gesamt-Q-Faktor Qts 0,55
Effektive Membranfläche Sd 5 cm2
Dynamische bewegte Masse Mms 0,3 g
Schwingspuleninduktivität L 0,05 mH
Musikbelastbarkeit mit Hochpassfilter 90 Watt (12 dB/Okt.; 2000 Hz)
Nennbelastbarkeit mit Hochpassfilter 60 Watt (12 dB/Okt.; 2000 Hz)

Suchen Sie nach einer maßgeschneiderten Lösung?

Kontakt