Haben Sie Fragen?

DTW 95 NG 8 OHM

25 mm (1") Gewebekalotte mit quadratischer Frontplatte für den Hochtonbereich ab 2000 Hz. Die optimierte Kalottenform und die stark bedämpfte Sicke garantieren einen linearen Frequenzgangverlauf ohne störende Biegewelleneinflüsse. Durch die hohe Induktion im ferrofluidgekühlten Luftspalt lassen sich sowohl ein guter Wirkungsgrad als auch eine hohe Belastbarkeit realisieren. Besonders geeignet für 3-Wege-Kombinationen mit der Gewebekalotte G 50 FFL 8 Ohm.  

WEEE-Reg.-Nr.: DE 79837685

Nicht mehr im Programm
Technische Daten
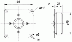
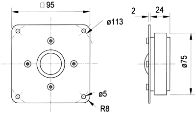
Zeichnung
Amplituden- und Impedanzfrequenzgang
Nennimpedanz Z 8 Ohm
Übertragungsbereich (-10 dB) 1000 - 22000 Hz (- 8 dB)
Mittlerer Schalldruckpegel 90 dB (1 W/1 m)
Resonanzfrequenz fs 1500 Hz
Magnetische Induktion 1,6 Tesla
Magnetischer Fluss 380 µ Weber
Schwingspulendurchmesser 2,5 cm
Schallwandöffnung 8 cm
Gewicht netto 0,55 kg
Gleichstromwiderstand Rdc 5,6 Ohm
Mechanischer Q-Faktor Qms 1,1
Elektrischer Q-Faktor Qes 2,06
Gesamt-Q-Faktor Qts 0,71
Effektive Membranfläche Sd 5 cm2
Dynamische bewegte Masse Mms 0,3 g
Schwingspuleninduktivität L 0,05 mH
Musikbelastbarkeit mit Hochpassfilter 90 Watt (12 dB/Okt.; 2000 Hz)
Nennbelastbarkeit mit Hochpassfilter 60 Watt (12 dB/Okt.; 2000 Hz)

Suchen Sie nach einer maßgeschneiderten Lösung?

Kontakt