Haben Sie Fragen?

W 130 SC 4 OHM

Magnetisch abgeschirmter 13 cm (5") HiFi Tiefmitteltöner. Sonst baugleich mit W 130 S 4 OHM .   Gehäuseempfehlungen: 7 l (geschlossen) 20 l ; 1x BR 6.8 (4 cm lang) 30 l ; 1x BR 19.24 (12 cm lang)  

WEEE-Reg.-Nr.: DE 79837685

Nicht mehr im Programm
Technische Daten
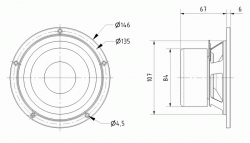
Zeichnung
Amplituden- und Impedanzfrequenzgang
Nennbelastbarkeit 50 W
Musikbelastbarkeit 80 W
Nennimpedanz Z 4 Ohm
Übertragungsbereich (-10 dB) fu–12000 Hz
(fu: untere Grenzfrequenz abhängig vom Gehäuse) .
Mittlerer Schalldruckpegel 87 dB (1 W/1 m)
Grenzauslenkung 16 mm
Resonanzfrequenz fs 49 Hz
Magnetische Induktion 0,9 T
Magnetischer Fluss 283 µWb
Obere Polplattenhöhe 4 mm
Schwingspulendurchmesser 25 mm
Wickelhöhe 8,5 mm
Schallwandöffnung 109 mm
Gewicht netto 1,14 kg
Gleichstromwiderstand Rdc 3,3 Ohm
Mechanischer Q-Faktor Qms 2,13
Elektrischer Q-Faktor Qes 0,38
Gesamt-Q-Faktor Qts 0,32
Äquivalentes Luftnachgiebigkeitsvolumen Vas 14 l
Effektive Membranfläche Sd 74 cm²
Dynamische bewegte Masse Mms 7,3 g
Antriebsfaktor Bxl 4,2 T m
Schwingspuleninduktivität L 0,6 mH

Suchen Sie nach einer maßgeschneiderten Lösung?

Kontakt