Technische Daten
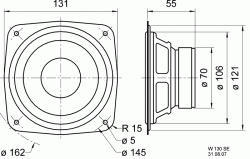
Zeichnung
Gehäuseempfehlungen
Amplituden- und Impedanzfrequenzgang
Richtdiagramm
Nennbelastbarkeit 50 W
Musikbelastbarkeit 80 W
Nennimpedanz Z 8 Ohm
Übertragungsbereich (-10 dB) fu–12000 Hz
(fu: untere Grenzfrequenz abhängig vom Gehäuse) .
Mittlerer Schalldruckpegel 87 dB (1 W/1 m)
Abstrahlwinkel (−6 dB) 113°/4000 Hz
Grenzauslenkung +/−8 mm
Resonanzfrequenz fs 52 Hz
Obere Polplattenhöhe 4 mm
Schwingspulendurchmesser 25 mm
Wickelhöhe 8,5 mm
Schallwandöffnung 108 mm
Gewicht netto 0,58 kg
Gleichstromwiderstand Rdc 6,0 Ohm
Mechanischer Q-Faktor Qms 2,26
Elektrischer Q-Faktor Qes 0,59
Gesamt-Q-Faktor Qts 0,47
Äquivalentes Luftnachgiebigkeitsvolumen Vas 12 l
Effektive Membranfläche Sd 74 cm²
Dynamische bewegte Masse Mms 6 g
Antriebsfaktor Bxl 4,6 Tm
Schwingspuleninduktivität L 0,6 mH
Volumen/Prinzip BR-Rohr fb fc/QTC
7 l/geschlossen - - 86 Hz/0,77
20 l/Bassreflex BR 6.8 (4 cm lang) 44 Hz -
30 l/Bassreflex BR 19.24 (12 cm lang) 39 Hz -

Suchen Sie nach einer maßgeschneiderten Lösung?

Kontakt