Technische Daten
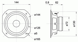
Zeichnung
Amplituden- und Impedanzfrequenzgang
Nennbelastbarkeit 40 Watt
Musikbelastbarkeit 60 Watt
Nennimpedanz Z 8 Ohm
Übertragungsbereich (-10 dB) fc - 6000 Hz
Mittlerer Schalldruckpegel 88 dB (1 W/1 m)
Grenzauslenkung 16 mm
Resonanzfrequenz fs 51 Hz
Magnetische Induktion 1 Tesla
Magnetischer Fluss 390 µ Weber
Obere Polplattenhöhe 5 mm
Schwingspulendurchmesser 2,5 cm
Wickelhöhe 1,1 cm
Schallwandöffnung 13,1 cm
Gewicht netto 0,7 kg
Gleichstromwiderstand Rdc 5,4 Ohm
Mechanischer Q-Faktor Qms 2,65
Elektrischer Q-Faktor Qes 0,61
Gesamt-Q-Faktor Qts 0,5
Äquivalentes Luftnachgiebigkeitsvolumen Vas 12 l
Effektive Membranfläche Sd 85 cm2
Dynamische bewegte Masse Mms 8 g
Antriebsfaktor Bxl 5,2 T · m
Schwingspuleninduktivität L 0,76 mH

Suchen Sie nach einer maßgeschneiderten Lösung?

Kontakt