Haben Sie Fragen?

K 28 WPC BL - 8 Ohm

Art. No. 2806

2,8 cm (1,1") Kleinlautsprecher mit Kunststoffmembran (Mylar) und Befestigungslaschen. Gleichmäßiger Frequenzgang und gute Sprachverstandlichkeit. Besonders geeignet für Anwendungen in sehr kleinen Geräten.

*) IP-Schutzklasse für Frontseite bei Einbau in ein abgedichtetes Gehäuse

Anwendungsmöglichkeiten
  • Kontrolllautsprecher für elektronische Geräte
Eigenschaften
  • Funktionstüchtig bei Kälte gemäß EN 60068-2-1/EN 50155

WEEE-Reg.-Nr.: DE 79837685

*Bei den Preisen handelt es sich um Bruttopreise für Privatkunden. Auf Anfrage erhalten Sie die Industriepreise.
Technische Daten
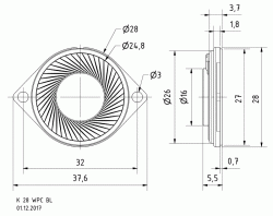
Zeichnung
Amplituden- und Impedanzfrequenzgang
Nennbelastbarkeit 1 W
Musikbelastbarkeit 2 W
Nennimpedanz Z 8 Ohm
Übertragungsbereich (-10 dB) 300–20000 Hz
Mittlerer Schalldruckpegel 76 dB (1 W/1 m)
Resonanzfrequenz fs 700 Hz
Schwingspulendurchmesser 13,5 mm
Wickelhöhe 2 mm
Gewicht netto 7 g
Anschlüsse Lötstellen
IP Schutzklasse IP 65 *)
Temperaturbereich −40 ... 70 °C

Suchen Sie nach einer maßgeschneiderten Lösung?

Kontakt