Haben Sie Fragen?

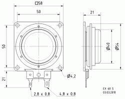
EX 60 S - 4 Ohm

Art. No. 4536

Elektrodynamischer Exciter zur Anregung von Platten zu Biegewellenschwingungen. Die Befestigung des Exciters auf der Oberfläche der anzuregenden Platte kann durch Kleben oder Schrauben erfolgen.

Weitere Informationen zu Excitern finden Sie hier: 
Grundlagen der Exciter-Technologie (PDF; 349 KB)

Anwendungsmöglichkeiten
  • Signalausgabe in Anwendungen aller Art, bei denen aus Designgründen oder zum Schutz vor Umwelteinflüssen oder Vandalismus keine sichtbaren Lautsprecher verbaut werden können.
Eigenschaften
  • erfüllt Anforderungen der EN 60068-2-14 (Temperaturwechsel, zyklisch: -40 °C/+80 °C)
  • erfüllt Anforderungen der EN 61373 (Schwingen, Schocken: Kategorie 1/Klasse B)

WEEE-Reg.-Nr.: DE 79837685

*Bei den Preisen handelt es sich um Bruttopreise für Privatkunden. Auf Anfrage erhalten Sie die Industriepreise.
Technische Daten
Zeichnung
Musikbelastbarkeit 25 W *)
Nennimpedanz Z 4 Ohm
Schwingspulendurchmesser 32,5 mm
Gewicht netto 0,12 kg
Anschlüsse 4,8 x 0,8 mm (+)/2,8 x 0,8 mm (-)
Temperaturbereich –25 ... 70 °C

*) Maximale Langzeit-Eingangsleistung nach DIN EN 60268-5

Bestückung / Zubehör:

Pad EX 60 S

Klebepad zur Befestigung der Exciter EX 60 S - 4 Ohm und EX 60 S - 8 Ohm auf glatten Oberflächen.

 

Eigenschaften:

Typ: 3M VHB 4919F

Suchen Sie nach einer maßgeschneiderten Lösung?

Kontakt