Haben Sie Fragen?

TRINITI

Art. No. 5994
2437,12 €*
*Bei den Preisen handelt es sich um Bruttopreise für Privatkunden.

Bauanleitung

Explosionszeichnung

Aufbau

Verleimen Sie zunächst den L-förmigen Teiler (168 x 122 mm und 832 x 122 mm) im rechten Winkel, die Teiler des Mitteltongehäuses (55 x 122 mm) mit der zugehörigen 10 mm Rückwand (425 x 122 mm) sowie Boden (322 x 122 mm) und Vorderseite Sockel (263 x 122 mm). Der Sockel / Platinenhalter kann bereits vollständig verleimt werden. 

Bohren Sie in die Rückwand des Mitteltongehäuses ein Loch passend für zwei Doppellitzenkabel. Dieses Loch sollte sich bei aufrechter Standposition der Box in der Nähe der Teiler des Mitteltongehäuses befinden. Beachten Sie unbedingt die Einbautiefe der Mitteltöner bei der Wahl der Lochposition. Dann ein Loch in das kurze Stück des L-förmigen Teilers bohren passend für drei Leitungen sowie in die Mitte des Bodens. 

Verleimen Sie das Mitteltongehäuse, den L-förmigen Teiler, Boden/Vorderseite Sockel und Deckel mit den Seitenwänden. Beim Mitteltongehäuse, Deckel und L-förmigem Teiler ist es wichtig, darauf zu achten, dass sie exakt frontbündig sind damit die Front später umlaufend plan und luftdicht aufliegend angebracht werden kann. Beim  Boden/Vorderseite Sockel sollte auf eine Verleimung bündig zur rückwärtigen Falz geachtet werden. 

Führen Sie nun die Kabel für die Mitteltöner und den Hochtöner durch die Bohrung im Mitteltongehäuse sowie die Kabel für alle drei Zweige durch den L-förmigen Teiler und den Boden. Dabei muss bedacht werden, dass die Mitteltöner in Reihe geschaltet werden und die Tieftöner als Parallel/Reihenschaltung ausgeführt werden. Die Löcher müssen nun akkurat verschlossen werden. Hier empfiehlt sich Heißkleber. 

Nun den Bespannstoffrahmen mit dem Bespannstoff beziehen und die Front aufsetzen. Dabei können Lösungen wie Nut und Feder bzw. Dübel verwendet werden oder eine flächige Verklebung / Verleimung. Wichtig ist die Dichtigkeit auf sämtlichen Flächen. 

Anschließend die Bedämpfung der Box wie nachfolgend beschrieben durchführen. 

Kleben Sie jetzt das Dichtband in den Falz oder auf die Rückwand. Führen Sie die Verlötung von Chassis, Frequenzweichen und Terminal durch und verschrauben Sie diese. Die Tieftonweiche  mit der LR-Spule möglichst nah in Richtung Terminal auf der (von vorne betrachtet) rechten Seite des Sockels platzieren. Die Mittel-/Hochtonplatine mit der großen SP-Spule in Richtung Boden möglichst weit Richtung Front befestigen. Nun den Bespannstoffrahmen von innen mit der Vorderseite des Sockels verschrauben. Abschließend Terminal, Sockel und Rückwand verschrauben.

Bedämpfung

Bedämpfung Horn:

Im Gegensatz zu den meisten anderen Bausätzen, die auch grobe Abweichungen vom Bedämpfungsplan zulassen, ist bei diesem Bausatz die exakte Ausführung der Bedämpfung wichtig. Aus diesem Grund wurde die Rückseite abnehmbar gestaltet.

Schneiden Sie mit einer Schere zwei Matten Dämpfungsmaterial in jeweils 5 gleich große Streifen von 12 x 33 cm, sowie aus der dritten Matte weitere drei Streifen von 12 x 33 cm Größe und drei Streifen von 5,5 x 33 cm Größe. Die vierte Matte wird später zugeschnitten. Wir empfehlen jeden Streifen an den Enden und gegebenenfalls in der Mitte mit einem Handtacker zu fixieren. Mehr Fixierung ist nicht notwendig. Durch die sehr beengten Verhältnisse innerhalb der Box ist die Verwendung des Tackers schwierig, weswegen auch auf eine Fixierung mit Doppelklebebändern, Sprühklebern, Nägeln, etc. ausgewichen werden kann. Es muss jedoch sichergestellt sein, dass die Matten niemals verrutschen können. Die Verwendung anderer Wolle ist ebenfalls sehr kritisch und daher nicht empfehlenswert. Die Streifen müssen nicht gestreckt, gestaucht oder gepresst werden, sie werden lediglich locker an ihre jeweilige Position gebracht und dort fixiert.

Kleiden Sie die Rückwand über die gesamte Länge mit den Streifen aus (ca. 3,5 Streifen). Beachten Sie hierbei, dass beim Einsetzen der Rückwand kein Dämpfungsmaterial in den Falz gerät, gegebenenfalls die Streifen hierfür etwas schmaler schneiden. Selbiges bei Ermittlung der Länge beachten. Nun den Boden des Hornmundes (der offene ‚Ausgang‘ des Horns) mit einem Streifen auskleiden. Den L-förmigen Teiler ebenfalls mit 6 Streifen vollständig auskleiden. Am besten am Hornmund beginnen und Streifen an Streifen legen. Sollte der letzte Streifen zu lang sein, kann dieser auf die passende Länge gekürzt werden. Der Bereich hinter dem Mittel-/Hochtongehäuse ist nur sehr schwer auszukleiden, dennoch muss sichergestellt sein, dass die Streifen nicht verrutschen können. Auch das Verbinden zweier Streifen zu einem langen Streifen durch einen Bürotacker oder durch Vernähen ist denkbar. Einen weiteren Streifen am Deckel der Box befestigen. Dieses Stück muss in der Mitte (also exakt senkrecht oberhalb des Teilers) fixiert sein, so dass dieser Streifen nicht verrutschen und dadurch den Kanal verschließen kann. Nun den Boden des Hornmundes mit einem weiteren Streifen auskleiden.

Eine Matte in drei Streifen zu ca. 17 x 33 cm Größe schneiden. Zwei Streifen bedecken die Seiten des Hornmundes. Der verbleibende Streifen kann halbiert und als Option in den Hornmund eingefügt werden.


Bedämpfung Mittelton:

Kleiden Sie die hintere Wand des Gehäuses mit einem Streifen und dem Reststück der abnehmbaren Rückwand vollständig aus. Eventuell überstehendes Dämmmaterial kann abgeschnitten werden. Nun die Seitenwände des Mitteltongehäuses mit den drei Streifen von 5,5 x 12 cm auskleiden. Leichtes Stopfen ist sinnvoll. Schneiden Sie aus dem restlichen Streifen Dämpfungsmaterial vier Stücke von ca. 6 x 6 cm und füllen Sie mit jeweils zwei Stücken den hohlen Bereich zwischen Hochtöner und den Öffnungen für die Mitteltöner. Wenn nun die Mitteltöner eingesetzt werden, sind diese vollständig von Dämpfungsmaterial umgeben. Sofern noch Dämpfungsmaterial vorhanden ist kann eine weitere Lage hinter dem Hochtöner eingebracht werden.

Zuschnittliste für 1 Box

Teile
Maße (mm)
Anzahl
Material: 25 mm MDF
Front
1018,5 x 190
1
Material: 19 mm MDF
Rückwand
1209,5 x 143
1
Seiten
1470 x 360
2
Deckel
360 x 122
1
Vorderseite Sockel
263 x 122
1
Teiler Mittelton
55 x 122
2
Teiler kurze Seite
168 x 122
1
Teiler lange Seite
832 x 122
1
Boden
322 x 122
1
Sockel Rückwand
251 x 143
1
Sockel Mittenwand
317 x 235
1
Sockel Boden
400 x 320
1
Material: 10 mm MDF
Rückwand Mittelton
425 x 122
1
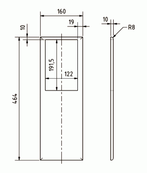
Bespannstoffrahmen
464 x 160
1

Empfohlenes Zubehör:

Dichtband (dünn, gut komprimierbar)

Gehäusezeichnung

Bespannstoffrahmen

Gehäusezeichnung Rückwand

Gehäusezeichnung Frontwand

Frequenzweiche

Bedämpfung Mittelton

Presse

Auszug aus Klang & Ton

Aus dem kleinen, feinen Sortiment hervorragender Treiber kann man sich bei VISATON für immer neue Konstruktionen bedienen - allerdings ist die vorbildlich gepflegte Fangemeinde so groß, dass schon eine Menge möglicher Kombinationen realisiert wurde. Das Spannende an VISATON ist aber, dass die hauseigenen Ingenieure dann doch immer mal wieder einen raushauen, mit dem keiner gerechnet hat.

Fazit: Musik analysieren, Musik erleben, Musik genießen - all das geht perfekt mit der neuen VISATON TriniTI, die wieder einmal zeigt, dass man selbst aus herausragenden Chassis mit einer cleveren Konstruktion mehr herausholen kann als die Summe der Einzelteile. Eine großartige Box!

Haben Sie Fragen?

Kontakt