Do you have any questions?

FONTANELLA SAT

Art. No. 5937

Building instruction

Exploded drawing

Assembly

The Fontanella Sat cabinet consists of 8 side pieces 16 mm thick with bevels and a base and top both octagonal and made of 19 mm material.

First, cut out the openings in the base and top. Then the side pieces and base are glued together. Before fitting the top, cut out and finish the four openings in the sides for the fixing points and connection points for the upper part. Then glue the lid in place. 

The frequency crossover unit is on the connection terminals and is fitted in the base, along with the bass reflex tube.

The mounting sets can now be fitted. These comprise four parts (terminal posts, consisting of an inner part, an outer part, a disk and spacer posts) which are screwed together. One of the outer terminal posts is red, the other is black. These two terminal posts are used at the same time for connecting up the tweeter. To this end, feed two wires from the tweeter output of the crossover through two separate 7.5 mm holes side-by-side in the lid and solder them to the spacer posts of the colour-coded mounting set (red (+) / black (-)). Then insert all four assembled mounting sets in the holes in the lid, ensuring they are firmly seated. 

The upper section of the speaker consists of one large cone over the low- to midrange speaker and a smaller one over the tweeter. The large coneis connected to the bass cabinet via the mounting sets and brass rods. Two of these brass rods also serve as signal carriers to the tweeter which is mounted in the large cone. Two short wires (approx. 5 cm long) are soldered to the tweeter and two of the rods. Take care to ensure that you solder the wires to the right rods - these must be the ones which are connected via the mounting sets to the crossover in the cabinet. The entire upper section can now be mounted on top of the cabinet. 

Finally, the small tweeter cone is stuck onto the diffuser of the tweeter.

Inner damping

Half a mat of damping material is used for each satellite cabinet.

Cabinet parts list for 1 box

Parts
Size (mm)
Quantity
Material: 19 mm chipboard or MDF
Top and bottom panel
239 x 239
2
Material: 16 mm chipboard or MDF
Side panels
180 x 96
8

Sketch (cones)

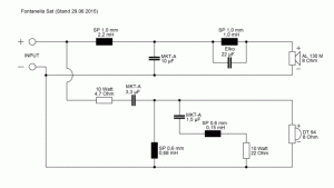
Crossover

Do you have any questions?

Contact us