Haben Sie Fragen?

DK 133 - 8 Ohm

Art. No. 50238

Druckkammer-Hornlautsprecher in wasserfester Ausführung mit 8 Ohm Impedanz. Hohe IP-Schutzklasse, hoher Schalldruck, gute Sprachverständlichkeit, kompakte Bauweise.

Anwendungsmöglichkeiten
  • Beschallung von Werkhallen, Bahnhöfen usw.
  • Außenbeschallung an Fahrzeugen
  • Einsatz in Alarmanlagen
Eigenschaften
  • UV-beständig
  • sehr hoher Wirkungsgrad

WEEE-Reg.-Nr.: DE 79837685

*Bei den Preisen handelt es sich um Bruttopreise für Privatkunden. Auf Anfrage erhalten Sie die Industriepreise.
Technische Daten
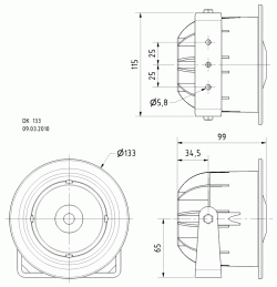
Zeichnung
Amplituden- und Impedanzfrequenzgang
Richtdiagramm
Nennbelastbarkeit 10 W
Musikbelastbarkeit 15 W
Nennimpedanz Z 8 Ohm
Übertragungsbereich (-10 dB) 570–4400 Hz
Mittlerer Schalldruckpegel 100 dB (1 W/1 m)
Abstrahlwinkel (−6 dB) 63°/4000 Hz
Schwingspulendurchmesser 38 mm
Gewicht netto 0,625 kg
Schalldruckpegel 106 dB (1 W/1 m)@ 2800 Hz
Farbe RAL 9010
Anschlüsse Aderendhülsen
Länge des Anschlusskabels 0,5 m
IP Schutzklasse IP 67 IP 66
Temperaturbereich –25 ... 70 °C

Suchen Sie nach einer maßgeschneiderten Lösung?

Kontakt