Haben Sie Fragen?

EX 45 S - 4 Ohm

Art. No. 4503

Elektrodynamischer Exciter zur Anregung von Platten zu Biegewellenschwingungen. Die Befestigung des Exciters auf der Oberfläche der anzuregenden Platte kann durch Kleben oder Schrauben erfolgen.

Weitere Informationen zu Excitern finden Sie hier: 
Grundlagen der Exciter-Technologie (PDF; 349 KB)

Anwendungsmöglichkeiten
  • Signalausgabe in Anwendungen aller Art, bei denen aus Designgründen oder zum Schutz vor Umwelteinflüssen oder Vandalismus keine sichtbaren Lautsprecher verbaut werden können.

WEEE-Reg.-Nr.: DE 79837685

*Bei den Preisen handelt es sich um Bruttopreise für Privatkunden. Auf Anfrage erhalten Sie die Industriepreise.
Technische Daten
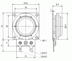
Zeichnung
Musikbelastbarkeit 10 W *)
Nennimpedanz Z 4 Ohm
Schwingspulendurchmesser 25,4 mm
Gewicht netto 0,06 kg
Anschlüsse 4,8 x 0,8 mm (+)/2,8 x 0,8 mm (-)
Temperaturbereich –25 ... 70 °C

*) Maximale Langzeit-Eingangsleistung nach DIN EN 60268-5

Zubehör von: