*Bei den Preisen handelt es sich um Bruttopreise für Privatkunden. Auf Anfrage erhalten Sie die Industriepreise.
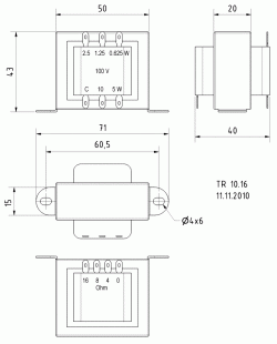
Technische Daten
Zeichnung
Gewicht netto 0,285 kg
Primär 10 W / 1 kOhm; 5 W / 2 kOhm; 2,5 W / 4 kOhm; 1,25 W / 8 kOhm; 0,625 W / 16 kOhm
Sekundär 4; 8; 16 Ohm
Übertragungsbereich 50–19000 Hz (−3 dB)

Suchen Sie nach einer maßgeschneiderten Lösung?

Kontakt