*Bei den Preisen handelt es sich um Bruttopreise für Privatkunden. Auf Anfrage erhalten Sie die Industriepreise.
Technische Daten
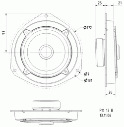
Zeichnung
Amplituden- und Impedanzfrequenzgang
Richtdiagramm
Nennbelastbarkeit 20 W
Musikbelastbarkeit 30 W
Nennimpedanz Z 4 Ohm
Übertragungsbereich (-10 dB) 60–15000 Hz
Mittlerer Schalldruckpegel 84 dB (1 W/1 m)
Abstrahlwinkel (−6 dB) 75°/4000 Hz
Grenzauslenkung +/−2 dB
Resonanzfrequenz fs 95 Hz
Magnetische Induktion 1,0 T
Magnetischer Fluss 190 µWb
Obere Polplattenhöhe 3 mm
Schwingspulendurchmesser 20 mm
Wickelhöhe 5,5 mm
Gewicht netto 0,53kg
Anschlüsse 4,8 x 0,8 mm (+)/2,8 x 0,8 mm (-)
Temperaturbereich –25 ... 70 °C

Bestückung / Zubehör:

ADK-F

Adapterkabel für den Einbau von Standardlautsprechern in den Türen des Fiat Ducato (Modelle ab 2006).

Suchen Sie nach einer maßgeschneiderten Lösung?

Kontakt