TABULA
Bauanleitung
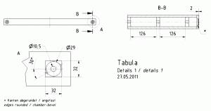
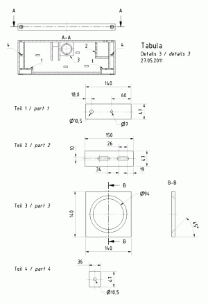
Exposionszeichnung
Exposionszeichnung
Aufbau
Der Aufbau der TABULA ist äußerst aufwendig und aufgrund der flachen Bauweise etwas kniffelig. Für Anfänger im Lautsprecherselbstbau mit wenig Erfahrung im Schreinerhandwerk ist die TABULA daher nicht zu empfehlen.
Für den Aufbau ist eine präzise arbeitende Handkreissäge mit Führungsschiene oder eine Tischkreissäge unumgänglich, da Baumärkte üblicherweise nur Holzzuschnitte bis 100 mm durchführen. Des Weiteren wird eine Oberfräse mit Zirkelaufsatz und verschiedenen Fräsern (Zylinderfräser, Bündigfräser, Fräser für Fasen und Rundungen), sowie diverse Bohrer benötigt.
Zuerst werden die einzelnen Bretter laut den technischen Zeichnungen ausgesägt. Es empfiehlt sich, die entsprechenden Löcher und Öffnungen vor dem Verleimen anzubringen. Hierbei ist vor allem die Aufnahme des Breitbandlautsprechers BF 32 - 8 Ohm auf der Frontwand kritisch und filigran. Sofern kein passendes Werkzeug zur Verfügung steht, kann man bei der 10 mm MDF Frontplatte folgendermaßen verfahren:
- 29-mm-Loch mittels Forstnerbohrer bohren (ggf. kleineres Loch bohren und auffeilen)
- Anbringen der Versenkung des Lautsprechers, z.B. mittels Teppichmesser (kleine Klinge) und Stechbeitel
- Anbringen der rückseitigen Fase mittels Raspel und Feile (dies ist notwendig, da die rückseitigen Öffnungen des Lautsprechers sonst verdeckt wären)
- Freilegen der Ohren des Anschlussterminals mittels Feile
Sollten individuelle Veränderungen erwünscht sein, sollte dies bereits im jetzigen Zustand berücksichtigt werden. Dies kann z.B. ein Fach für einen MP3-Player im Deckel, eine Kabeldurchführung an entsprechenden Stellen oder Schutzgitter bzw. Abdeckungen für die Lautsprecher sein. Ebenfalls sollten im jetzigen Zustand entsprechende Kabelverlegungen vom Regal zur Wand bedacht werden. Hierfür sind in der Zeichnung 10-mm-Löcher auf der Rückseite vorgesehen. Diese können ebenfalls individuell angepasst werden.
Um später im zusammengebauten Zustand die einzelnen Lautsprecher, Anschlussklemmen etc. so einfach wie möglich anbringen zu können, sollten die Schraubpunkte bereits im noch nicht verleimten Zustand vorgebohrt werden.
Nachdem alle Bretter vorbereitet wurden, kann der Zusammenbau beginnen. Die TABULA wurde so konstruiert, dass der Boden für spätere Wartungen etc. abnehmbar ist. Daher sollte man den Aufbau mit dem Deckel beginnen. Auf eine ebene Fläche gelegt, können so die einzelnen Bretter, bis auf den Boden, Stück für Stück auf den Deckel aufgeleimt werden (ggf. hilft ein Vorzeichnen der Positionen). Als nächstes werden die inneren Kanten der verleimten Bretter mit Holzleim bestrichen, so dass das Gehäuse später keine ungewollten Undichtigkeiten besitzt. Nachdem alles getrocknet ist, werden die Positionen der einzelnen Bretter auf die Bodenplatte übertragen, vorgebohrt und auf der Außenseite passend für eine bündige Verschraubung mittels Senkkopfschrauben gesenkt. Pro Versteifungsbrett (40 x 16 mm) ist eine Schraube ausreichend. Für alle anderen Bretter sollte eine sinnvolle Anzahl von Schrauben gewählt werden, so dass die Bodenplatte stabil und fest mit allen Wänden, Versteifungen und Zwischenbrettern verschraubt werden kann.
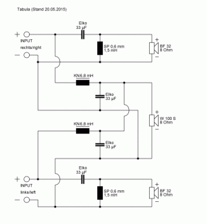
Im darauffolgenden Schritt kann mit dem Verlegen der bereits vorkonfektionierten und an der Frequenzweiche angelöteten Kabel begonnen werden. Die Frequenzweiche kann zwischen Tiefmitteltönerausschnitt und Anschlussklemmen im Gehäuse platziert werden. Da die Kabel durch kleine 7-mm-Öffnungen zu den Breitbändern BF 32 - 8 Ohm gelegt werden, müssen diese im Nachhinein z.B. mittels Heißkleber wieder abgedichtet werden.
Der nächste Schritt ist das Einfügen des Dämpfungsmaterials. Hierbei ist etwa ein Zehntel der Matte pro Breitbändergehäuse für später aufzubewahren. Der restliche Anteil kann lose im Gehäuse verteilt werden. Hierbei hilft ein vorheriges Zerlegen der Dämpfungsmatte in mehrere kleinere Stücke. Nach diesem Arbeitsschritt wird die Bodenplatte verschraubt. Gegebenenfalls kann ein Dichtungsband angebracht werden, um entsprechende Unebenheiten auszugleichen.
Nun kann man mit der optischen Gestaltung des Gehäuses beginnen (lackieren, folieren, furnieren, bekleben…) und danach den Tiefmitteltöner W 100 S - 8 Ohm, sowie die beiden Anschlussklemmen verlöten und anschrauben.
Im nächsten Arbeitsgang werden die M10-Gewindestangen auf eine passende Länge zurechtgeschnitten. Am einfachsten halbiert man zunächst die 1 m lange Gewindestange und sägt sie nach der ersten Anprobe zurecht. Die Stangen müssen dabei gut in der Wand fixiert sein (z.B. mittels Montage-Kit) und durch die Löcher auf der Rückseite des Holzgehäuses bis hinter beide Breitbänderöffnungen ragen. Nachdem die TABULA an der Wand auf die Gewindestangen geschoben wurde und alle Anschlusskabel verlegt wurden, kann eine Fixierung mit Muttern durch das Breitbändergehäuse stattfinden.
Zum Schluss werden die vorher ausgesonderten Dämpfungsmaterialstücke in die Breitbändergehäuse gestopft und die BF 32 - 8 Ohm verlötet und angeschraubt. Sollten dabei keine passenden Schrauben gefunden werden können, kann man auch die Verschraubungspunkte des Lautsprechers vergrößern oder für entsprechende Senkkopfschrauben modifizieren. Diese Modifikationen lassen jedoch die Garantieansprüche verfallen.
Bedämpfung
Die mitgelieferte Dämpfungsmatte wird im Gehäuse locker verteilt. Dabei sollte etwa ein Zehntel der Matte pro Breitbändergehäuse genutzt werden. Der restliche Anteil kann in handliche Stücke geschnitten und im Gehäuse verteilt werden. Es ist darauf zu achten, dass die Bassreflexöffnung frei bleibt und nicht durch Dämpfungsmaterial verstopft wird.
 
           
           
           
           
           
          