Haben Sie Fragen?

ARF 13

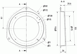
Adapterring für den Einbau von 13-cm-Lautsprechern in den Türen des Fiat Ducato (Modelle ab 2006). Material: ABS  

WEEE-Reg.-Nr.: DE 79837685

Nicht mehr im Programm
Technische Daten
Zeichnung
Gewicht netto 0,053 kg