Do you have any questions?

ZYKLOP

Art. No. 5991
*Bei den Preisen handelt es sich um Bruttopreise für Privatkunden.

Building instruction

Explosionszeichnung

Aufbau

Vorab sei erwähnt, dass die außergewöhnliche Form des Gehäuses als Sechseck den Aufbau erschwert. Für einen problemlosen Zusammenbau sind daher exakte Zuschnitte und eine gute Planung absolute Voraussetzung. Eine perfekt arbeitende Tischkreissäge mit entsprechenden Anschlägen ist für diesen Bauvorschlag unumgänglich.

Im ersten Schritt sollte man sich über das Äußere des Gehäuses Gedanken machen. Plant man z.B. das Gehäuse am Ende zu furnieren, müssen entsprechende Materialstärken beim Ausfräsen der Lautsprecheröffnungen mit einberechnet werden.

Nachdem alle Bretter auf das Außenmaß passend zugeschnitten wurden (siehe auch Detail-Zeichnung), folgen sämtliche Öffnungen, die entweder ausgesägt und/oder ausgefräst werden.

Diese wären:

Des Weiteren sollten bereits in diesem Stadium strömungsgünstige Rundungen an der Öffnung des Bassreflexkanals im Deckel des Tieftönergehäuses, an den Seitenwänden des Bassreflexkanals, sowie rückseitig an der Öffnung des Breitbandlautsprechers, mittels z.B. Oberfräse und Rundfräser vorgesehen werden (siehe auch Zeichnung der Rundungen und Fasen). Zusätzlich sollte man die Verschraubungspunkte der Frequenzweiche auf einer der Seiten (3 oder 4) des Tieftönergehäuses vorbohren, was später die Anbringung deutlich erleichtert.

Nach dieser Vorbereitung folgt ein Trockenaufbau, um Problemen und Fehlern vorzubeugen. Gelingt dieser, kann man das Gehäuse auf verschiedene Arten verleimen. Im Folgenden wird eine praktikable und einfache Art mittels Klebeband dargestellt. Hierfür werden das Tieftöner- und das Breitbändergehäuse separat aufgebaut und zum Schluss miteinander verleimt.

Beginnend mit dem Tieftönergehäuse verleimt man zuerst die Frontwand mit Deckel und Boden und setzt bereits hier die entsprechende Verstrebung ein. Gegen ein Verrutschen hilft der übliche Trick mit kleinen eingeschlagenen und abgeknipsten Nägeln (siehe Nageltrick Erläuterung).

Während der Trocknungsphase breitet man vor sich folgende einzelne Bretter als aufgeklapptes Gehäuse aus. Die Reihenfolge von links nach rechts lautet: Seite (2), Seite (4), Rückwand, Seite (3), Seite (1). Die Gehrungsöffnungen, also die ins Gehäuse zeigenden Flächen, sollten dabei nach unten zeigen. Es ist äußerst wichtig, die korrekte Reihenfolge und die richtigen Gehrungen zueinander beizubehalten und auf einem glatten und sauberen Untergrund zu arbeiten. Nun zieht man mehrere Bahnen mit Klebeband (z.B. Paketklebeband) über die aufgeklappten Bretter, sozusagen als Schutz gegen Verrutschen und als eine Art „Scharnier“ für den späteren Zusammenbau (siehe auch „Zyklop Bauhilfe 1“). Danach dreht man die „Kette“ aus Brettern gemeinsam auf die eigentliche Außenseite (eine zweite Person ist hier hilfreich) und setzt anschließend das bereits verleimte Konstrukt aus den beiden sechseckigen Brettern, Boden und Deckel auf die Rückwand und verleimt dieses dort. Nach einer kurzen Trocknungszeit, nachdem ausreichend Stabilität erreicht wurde, verleimt man die Gehrungen der Seitenwände, sowie sämtliche dazugehörigen Kanten (siehe auch „Zyklop Bauhilfe 2“ inkl. der markierten Kanten, die mit Leim eingestrichen werden müssen) und klappt die Wände nach oben. Mittels Klebeband werden diese Platten untereinander fixiert, so dass das Tieftönergehäuse problemlos trocknen kann (siehe auch „Zyklop Bauhilfe 3“).

Logischerweise verfährt man mit dem Breitbändergehäuse identisch.

Nachdem das Tieftönergehäuse getrocknet ist, kann man die einzelnen Bretter des Bassreflexkanals, sowie die Kabelabdeckung aufkleben. Auch hier hilft der Nageltrick gegen Verrutschen. Gegebenenfalls sollte man, soweit möglich, die Innenkanten der Gehäuse nochmals mit Holzleim nachstreichen, um eine ausreichende Dichtigkeit gewährleisten zu können.

Daraufhin folgt die Verklebung der beiden Gehäuse zu einer kompletten Box.

Nach Säuberung von Staub und Spänen kann das Gehäuse bestückt werden. Dafür fixiert man die bereits verkabelte Frequenzweiche durch die Öffnung des Tieftöners (siehe auch mitgelieferte Anschlussanleitung) im Gehäuse und legt die entsprechenden Leitungen zu den dazugehörigen Öffnungen. Die Kabeldurchführung vom Tieftöner- in das Breitbändergehäuse sollte im Nachhinein mittels z.B. Heißkleber abgedichtet werden.

Nun folgt die Bedämpfung mittels Polyesterwolle laut Bedämpfungsanleitung.

Zum Schluss werden die Lautsprecherchassis, sowie das Anschlussterminal angelötet und montiert.

Bedämpfung

Die Bedämpfung der beiden Gehäuse ist unkritisch. Für das Breitbändergehäuse sind insgesamt 1,5 Matten Polyesterwolle vorgesehen, für das Tieftönergehäuse dementsprechend 2,5 Matten. Hierfür faltet oder rollt man die Matten zusammen und schiebt sie durch die entsprechende Lautsprecheröffnung in das Gehäuse. Dort wird sie aufgelockert und gut verteilt. Sie sollte dabei nicht am Rand, sondern möglichst mittig platziert werden. Grund hierfür ist die Vermeidung der stehenden Wellen im Gehäuse, welche in der Gehäusemitte am kritischsten bedämpft werden müssen. Im Tieftönergehäuse gilt außerdem, dass der Bereich unter dem Bassreflexkanal frei bleiben sollte.

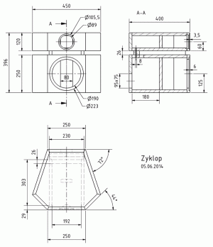
Zuschnittliste für 1 Box

Teile
Maße (mm)
Anzahl
Material: 19 mm MDF
Front Tieftönergehäuse
250 x 250
1
Rückwand Tieftönergehäuse
250 x 250
1
Seiten (1+2) Tieftönergehäuse
142 x 250
2
Seiten (3+4) Tieftönergehäuse
317 x 250
2
Front Breitbändergehäuse
250 x 120
1
Rückwand Breitbändergehäuse
250 x 120
1
Seiten (1+2) Breitbändergehäuse
142 x 120
2
Seiten (3+4) Breitbändergehäuse
317 x 120
2
Boden / Deckel
362 x 407
4
Bassreflexkanal Seiten
26 x 303
2
Bassreflexkanal Rückwand
26 x 230
1
Kabelabdeckung
26 x 230
1
Verstrebung Tieftönergehäuse
212 x 80
1
Verstrebung Breitbändergehäuse
82 x 80
1

Hinweis: Alle Maße sind Außenmaße. Gehrungen und Schrägen sind noch abzusägen!

Nageltrick

Bauhilfe 1

Bauhilfe 2

Bauhilfe 3

Rundungen und Fasen

Gehäusezeichnung 1

Gehäusezeichnung 2

Frequenzweiche

Press

Auszug aus Klang & Ton

Im Bass tönt's kräftig, konturiert und angenehm variabel. Sehr gute Abstimmung. Stimme? Kommt sofort. In Gestalt von Townes van Zandt. Die Live-Einspielung auf "In Pain" tönt ungemein kräftig, zupackend und glaubwürdig. Energie in den Mitten - so geht das. In Sachen Raumabbildung punktet die Box auch hier, sie lässt die Dimensionen des Clubs, in dem aufgezeichnet wurde, sehr glaubhaft erahnen. Das ist ein in sich stimmiges, kräftiges Klangbild, bei dem beide Treiber bestens aneinander passen. So baut man gute Lautsprecher - Kompliment nach Haan, das hier ist einer.

Auszug aus Hobby HiFi

Der Auftritt im Hörraum der Redaktion verblüffte die Zuhörer vom ersten Augenblick an. Die Zyklopen punkten mit perfekter tonaler Ausgewogenheit. Sie bieten einen straffen, druckvollen und klaren Bass mit beachtlichem Tiefgang. In den Mitten begeistern die natürlichen Klangfarben. Stimmen in jeder Tonlage wirken authentisch und plastisch. Der Hochtonbereich erklingt so rund und fein, wie man es von guten Kalottenhochtönern kennt. Der Breitbänder bietet ein wunderbar fein ziseliertes Auflösungsvermögen. Die räumliche Abbildungsqualität überzeugt mit einer ausnehmend breiten Auffächerung nebst nachvollziehbarer Tiefenwirkung.


Mit dem Bauvorschlag Zyklop bereichert VISATON sein Bausatzprogramm um ein vorzüglich klingendes F.A.S.T.-System. Wer sich vom etwas komplizierten Gehäusebau nicht schrecken lässt, realisiert mit diesem Projekt klanglich hochrangige Lautsprecher, die auch optisch einiges zu bieten haben.

Do you have any questions?

Contact us