Do you have any questions?

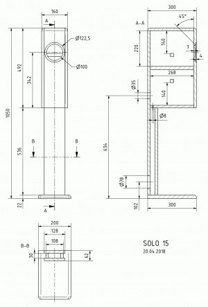
SOLO 15

Art. No. 5869
*Bei den Preisen handelt es sich um Bruttopreise für Privatkunden.

Building instruction

Explosionszeichnung

Aufbau

Wie bei allen unseren Bausätzen empfiehlt es sich zu Beginn Gedanken über die finale Optik des Lautsprechers zu machen, um entsprechende Veränderungen beim Bau mit einzuplanen. Möchte man z.B. die Gehäuse furnieren, muss die Senkung des Lautsprechers entsprechend angepasst werden, da das Furnier nochmals Material aufträgt.

Nachdem alle Platten zugeschnitten wurden (z.B. im Baumarkt), sollte man zuerst ein 8 mm Loch in die Bodenplatte an der entsprechenden Stelle bohren, um dort später das Kabel problemlos durchführen zu können.

Mit Hilfe einer Oberfräse folgt nun die Lautsprecheröffnung in der Front, so dass der B 100 - 6 Ohm später bündig eingesetzt werden kann. Rückseitig sollte diese Öffnung mit einer 45° Fase versehen werden um die Öffnungsfläche des Lautsprecherchassis im Inneren so groß wie möglich zu gestalten. Die vier Verschraubungspunkte des B 100 - 6 Ohm bekommen dabei eine Unterbrechung in der Fase, wie im Bild „Detail Fase“ gezeigt.

Danach beginnt man mit dem eigentlichen Aufbau der Box und platziert eine der beiden Seitenwände auf einer ebenen Fläche vor sich. Auf diese werden nun die Rückwand, der Deckel, die Front und der Boden aufgeleimt. Dabei sollten auch die drei Versteifungen eingesetzt und verklebt werden.

Die Versteifungen selbst können bei Bedarf in der Materialstärke variieren, sofern man z.B. auf fertige Leisten aus dem Baumarkt zurückgreifen möchte anstatt sie selbst aus 16 mm MDF herzustellen.

Im nächsten Arbeitsschritt wird die zweite Seite angebracht. Danach folgen alle Platten des Fußes, also die beiden Seiten, sowie die Front.

Mittels einer passenden Lochkreissäge oder eines Forstnerbohrers wird das Anbringen der Öffnungen des Bassreflexrohres, sowie der Anschlussklemme auf der Rückwand erleichtert.

Anschließend nutzt man einen Rundfräser zum Abrunden sämtlicher Kanten der eigentlichen Box. Auch die Oberseite der Fußplatte kann damit abgerundet werden.

Im Anschluss wird die Fußplatte fest mit dem Fuß des Gehäuses verklebt und zusätzlich mit langen Holzschrauben angeschraubt.

Es folgt das Anzeichnen und Vorbohren (2,5-mm-Bohrer) der Verschraubungspunkte der Lautsprecherchassis und der Anschlussklemme.

Nachdem das Gehäuse von Holzstaub gereinigt wurde (absaugen / ausblasen), beginnt man mit dem Verlegen des Kabels. Am einfachsten gelingt dies durch die 35 mm Bassreflexöffnung in der Rückwand. Dabei schiebt man das gesamte und ungekürzte Kabel Stück für Stück durch die 8 mm Bohrung in den Fuß bis zur Terminalöffnung und lässt es dort ca. 30 cm herausstehen. Im oberen Teil des Gehäuses führt man das Kabel zur Lautsprecheröffnung und lässt es dort ebenfalls locker heraushängen.

Nachfolgend wird die Frequenzweiche vorbereitet und eingesetzt. Der Bauplan der Frequenzweiche, sowie der entsprechende Anschlussplan kann folgendem Dokument entnommen werden: Montageanleitung Weiche SOLO 15.

Ist die Frequenzweiche eingebaut und das Anschlussterminal verschraubt, folgt die Abdichtung der 8 mm Kabelöffnung im Inneren der Box, welche noch nicht komplett verschlossen ist.  Durch die 35 mm Bassreflexöffnung und mit etwas Geschick, kann man Heißkleber auf die Öffnung tropfen lassen und so verschließen. Durch die Öffnung des B 100 - 6 Ohm und mit einer kleinen Lampe kann man die Abdichtung entsprechend überprüfen.

Nun folgt die Bedämpfung laut Beschreibung.

Anschließend wird der B 100 - 6 Ohm angeschlossen und mit den entsprechenden Schrauben festgeschraubt. Die Polarität spielt hierbei eine wichtige Rolle, so dass die Plusleitung (markiertes Kabel) am Pluspol des Lautsprechers (größerer Kontakt) angelötet werden muss.

Zum Schluss wird das Bassreflexrohr auf die angegebene Länge von 28 mm (Gesamtlänge des Rohres) gekürzt und eingesteckt.

Ausfräsung der Schallwand

Bedämpfung

Zur Bedämpfung wird eine Matte des Dämpfungsmaterials in zwei Teile geschnitten und locker im Gehäuse verteilt. Die Öffnung um den Bassreflexkanal sollte freigehalten werden.

Zuschnittliste für 1 Box

Teile
Maße (mm)
Anzahl
Material: 16 mm Spanplatte oder MDF
Front
128 x 492
1
Deckel
128 x 284
1
Rückwand
128 x 1012
1
Boden
128 x 268
1
Seiten
300 x 492
2
Front (unten)
128 x 536
1
Seiten (unten)
30 x 536
2
Versteifung 1
20 x 268
1
Versteifung 2
20 x 128
2

Gehäusezeichnung

Frequenzweiche

Aufbau Frequenzweiche

Do you have any questions?

Contact us