Do you have any questions?

PACTO

Art. No. 5877
*Bei den Preisen handelt es sich um Bruttopreise für Privatkunden.

Building instruction

Explosionszeichnung

Aufbau

Zunächst werden alle Platten laut Liste zugeschnitten. Dies kann, bis auf die beiden Versteifungen bei denen es in der Breite nicht auf den Millimeter ankommt, problemlos im Baumarkt durchgeführt werden. Da die Bretter auf Stoß verleimt werden, ist der Aufbau nicht besonders schwierig und auch für Anfänger geeignet.

Der erste Schritt ist ein kurzer Trockenaufbau um die Passgenauigkeiten der Zuschnitte zu überprüfen. Anschließend können die Öffnungen für die Treiber in die Front und in die Frontblende, sowie für das Terminal in der Rückseite gesägt bzw. gefräst werden. Besondere Vorsicht gilt bei der 2,4 mm tiefen Absenkung auf der Rückseite der Frontblende.

Nun werden die Radien in die Frontblende gefräst bzw. geschliffen. Boden und BR Bretter müssen ebenfalls abgerundet werden um Strömungsgeräusche zu minimieren. Die Fasen an den Seitenwänden können nun angebracht werden (z.B. mittels Tischkreissäge oder einem passenden Fräser). Da diese auf einen spitzen 30° Winkel zulaufen, sind sie sehr empfindlich.

Sind alle Bretter fertig bearbeitet, werden der Boden, der Deckel, die Front und die Rückwand  entsprechend passend (auf Stoß) auf eine Seitenwand geklebt, welche eben auf der Arbeitsfläche vor einen gelegt wird. Dabei ist darauf zu achten, dass die Bretter bündig abschließen (hier hilft der Nageltrick). Die zweite Seite wird nun oben auf das Gehäuse gelegt und beschwert, (allerdings noch nicht verkleben), während der Kleber trocknet. Zusätzlich kann überprüft werden, ob die obere Seitenwand bündig mit den senkrecht stehenden Brettern abschließt. Während des Trocknungsvorgangs, verleimt man zwischenzeitig die beiden Platten für das innenliegende Gehäuse des FR 58 – 8 Ohm.

Ist der Kleber trocken, können die BR Bretter, das kleine innenliegende Gehäuse und die Versteifungen ins Gehäuse geklebt werden.Jetzt kann die Frequenzweiche in das Gehäuse geschraubt werden (siehe Weichenposition). Anschließend wird die Seitenwand auf das Gehäuse geklebt.

Nach einer weiteren Trocknungsphase wird der übergequollene Leim entfernt und das Gehäuse glattgeschliffen. Nun folgen das Vorbohren der Befestigungspunkte der Chassis und des Terminals, sowie der Kabeldurchlass im Hochtongehäuse. Nun kann die endgültige Verkabelung starten (siehe Anschlussplan). Zum Schluss verschraubt man alle Chassis, sowie die Anschlussklemme und verbindet diese mit der Frequenzweiche. Der Kabeldurchlass im Hochtongehäuse sollte mit Heißkleber luftdicht verschlossen werden.

Die Anbringung der Frontblende erfolgt als letztes. Dadurch ist es möglich, sie in einem anderen Farbton als den Rest des Gehäuses zu lackieren. Es empfiehlt sich diese aus Revisionsgründen z.B. mit vier Heißklebepunkten, doppelseitigem Klebeband oder Klettband am Gehäuse zu befestigen.

Position der Frequenzweiche

Gehäusezeichnung

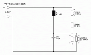
Frequenzweiche

Zuschnittliste für 1 Box

Teile
Maße (mm)
Anzahl
Material: 10 mm Spanplatte oder MDF
Front
190 x 270
1
Deckel
190 x 240
1
Boden
190 x 245
1
Seiten
255 x 300
2
Rückwand
190 x 300
1
BR Brett 1
190 x 220
1
BR Brett 2
190 x 90
1
Versteifung 1
190 x 30
1
Versteifung 2
150 x 30
1
Hochtongehäuse
190 x 80
2
Material: 5 mm Spanplatte oder MDF
Frontblende
190 x 280
1

Do you have any questions?

Contact us