Do you have any questions?

ARIA LIGHT

Art. No. 5954

Building instruction

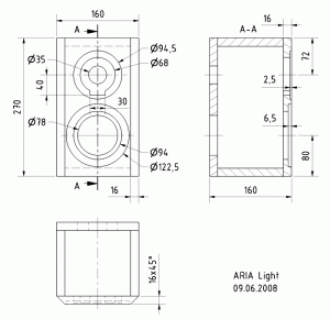
Exploded drawing

Assembly

The cabinet body uses 16 mm boards. First of all, cut the holes in the boards and apply the bevels. This can be done using an electric jigsaw or hand-held circular saw set to the required angle. Once the cabinet has been completed, apply the milling work for the loudspeaker. Finally, fit the cones.

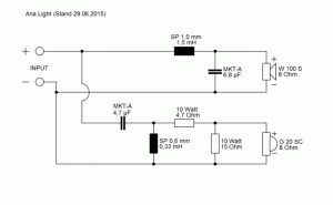
Since the cabinets are relatively small, it is hardly possible to mount the crossover inside the housing. It can, however, simply be wrapped in damping material and placed inside the speaker if the rear wall is not removable.

Inner damping

The damping material is loosely arranged in the cabinet.

Cabinet parts list for 1 box

Parts
Size (mm)
Quantity
Material: 16 mm MDF or chipboard
Front, rear panel
270 x 160
2
Side panel
270 x 128
2
Top, bottom panel
128 x 128
2

Crossover

Do you have any questions?

Contact us