Do you have any questions?

CASABLANCA III

Building instruction

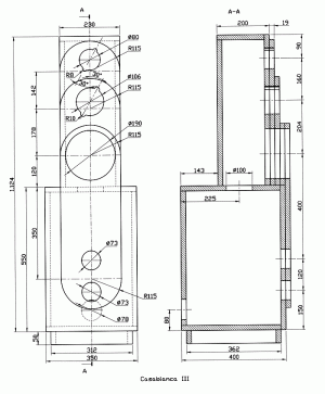
Exploded drawing

Assembly

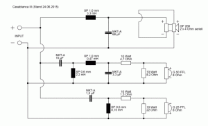
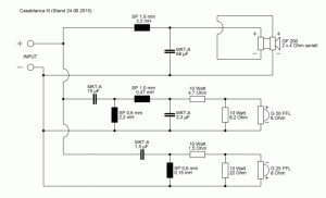
Although the design of this cabinet may appear at first sight to be complex, it is, in fact, made up of simple, rectangular panels and only the radii and openings need more careful attention. The crossover is mounted on the rear wall behind the bass vent.

Inner damping

When damping this cabinet, remember that the opening between the larger and smaller chambers of the cabinet (diameter 100 mm) must remain free. One bag of damping material is inserted into the upper cabinet. The lower cabinet chamber remains free.

Cabinet parts list for 1 box

Parts
Size (mm)
Quantity
Material: 19 mm chipboard or MDF
Lower top and bottom panel
381 x 350
2
Lower front panel
550 x 350
1
Lower rear panel
512 x 312
1
Lower side panel
512 x 381
2
Front panel for GF 200
700 x 230
1
Inserted Panel
235 x 230
1
Front panel for G 50 FFL
413 x 230
1
Front panel for G 25 FFL
555 x 230
1
Upper front panel
574 x 230
1
Top panel
181 x 230
1
Upper side panel
181 x 555
2
Upper rear panel
192 x 555
1
Base
50 x 312
2
Base
50 x 324
2

Crossover

Do you have any questions?

Contact us