Do you have any questions?

CASABLANCA MK IV

Art. No. 5979

Building instruction

Exploded drawing

Assembly

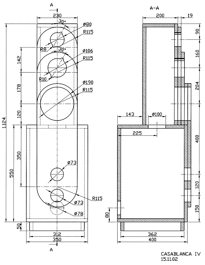
Although the design of this cabinet may appear at first sight to be complex, it is, in fact, made up of simple, rectangular panels and only the radii and openings need more careful attention. The crossover is mounted on the rear wall behind the bass vent.

Inner damping

When damping this cabinet, remember that the opening between the larger and smaller chambers of the cabinet (diameter 100 mm) must remain free. One bag of damping material is inserted into the upper cabinet. The lower cabinet chamber remains free.

Cabinet parts list for 1 box

Parts
Size (mm)
Anzahl Quantity
Material: 19 mm MDF or chipboard
Lower top, bottom panel
381 x 350
2
Lower front panel
550 x 350
1
Lower rear panel
512 x 312
1
Lower side panels
512 x 381
2
Front for AL 200
700 x 230
1
Insertion panel
235 x 230
1
Front for DSM 50 FFL
413 x 230
1
Front for DSM 25 FFL
555 x 230
Upper Front panel
574 x 230
1
Top panel
181 x 230
1
Upper side panels
181 x 555
2
Upper rear panel
192 x 555
1
Base
50 x 312
2
Base
50 x 324
2

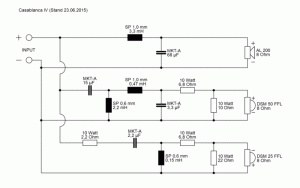
Crossover

Do you have any questions?

Contact us