Do you have any questions?

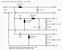
HW 3/130 NG - 8 Ohm

Art. No. 5414

Crossover made of high-grade copper coils, MKT foil capacitors and low-loss audio frequency electrolytic capacitors, mounted on epoxy PC boards. Checked with regard to functioning, slope steepness and cross-over frequency.

*Gross price for private customers. Industrial prices are available on request.
Technical Data
Sketch
Rated power 120 W
Maximum power 180 W
Nominal impedance Z 8 Ohm
Flankensteilheit 12 dB / Okt.
Übernahmefrequenz 300 / 4000 Hz

Are you looking for a bespoke solution?

Contact us