Do you have any questions?

CT CENTER 130

Building instruction

Exploded drawing

Assembly

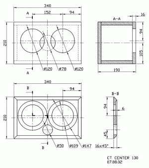
The construction of this cabinet is relatively easy. For the main body, you will require six boards 16 mm thick and for the double baffle a further 16 mm board. First of all, cut the holes in all the boards and apply the chamfers to the double baffle. Once the cabinet has been completed, apply the milling work for the loudspeaker. Finally, fit the woofers.

Inner damping

One mat of damping material is loosely pushed into the cabinet.

Cabinet parts list for 1 box

Parts
Size (mm)
Quantity
Material: 16 mm chipboard or MDF
Front and rear panel
210 x 340
2
Side panel
158 x 178
2
Top and bottom panel
158 x 340
2
Material: 16 mm MDF or wood
Double baffle
210 x 340
1

Crossover

Mounting SC 4 ND

Do you have any questions?

Contact us