Do you have any questions?

CT MAIN 200

Building instruction

Exploded drawing

Assembly

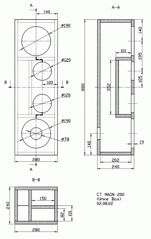
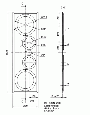
The cabinet consists of 19 mm boards and a 16 mm double baffle. The side piece, top and base of the medium range chamber are, at the same time, cabinet stiffeners. First of all, make the necessary cut-outs in the cabinet panels and the chamfers on the double baffle. Once the cabinethas been made up, prepare the mounts for the woofer and the mid-range drivers. Finally, fit the speaker drivers. If required, a stand can be made using the same size as the cabinet base to the required height.

Inner damping

The damping of the speaker uses half a mat of damping material pushed into the medium range cabinet. The remainder is pushed into the bass chamber.

Cabinet parts list for 1 box

Parts
Size (mm)
Quantity
Material: 19 mm chipboard or MDF
Material: 19 mm Span- oder MDF-Platte
Front and rear panel
280 x 880
2
Side panel
202 x 880
2
Top and bottom panel
202 x 242
2
Midrange rear panel
150 x 352
1
Midrange side panel
202 x 352
1
Midrange top and bottom panel
242 x 101
2
Material: 16 mm MDF-Platte oder Holz
Double baffle
280 x 880
1

Crossover

Mounting SC 4 ND

Do you have any questions?

Contact us