Do you have any questions?

UL 7 EN - 100 V

Art. No. 50475

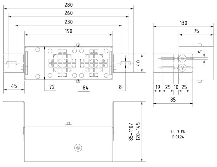
Cabinet-housed speaker for use in lighting systems. Stainless steel cabinet (V2A). Equipped with two 7 cm fullrange speakers and an 100 V transformer.

Typical applications
  • Lighting systems
Attributes
  • certified according to EN 54-24
  • Approved for railway applications due to the certification according to EN 54-24
  • 100 V transformer
  • Moisture-resistant membrane
  • UV-resistant

WEEE-reg. no.: DE 79837685

No longer available
Technical Data
Sketch
Amplitude & Impedance Frequency
Directivity pattern
Nominal impedance Z 1.0/2.0/3.3/8.0/12.5 kOhm
Frequency response 300-20000 Hz
Mean sound pressure level 90 dB (1 W/1 m)
Opening angle (-6 dB) 90°/4000 Hz hor. / 52°/4000 Hz vert.
Net weight 1.45 kg
Transformer matching 10 W/5 W/3 W/1.25 W/0.8 W
Max. sound pressure level 100 dB (10 W/1 m)
Connections Ceramic screw terminals
Length of cable 04 m
Protective system IP 33 A EN54 IP 54 *)
Temperature range –25 ... 70 °C

Are you looking for a bespoke solution?

Contact us