Do you have any questions?

TW 6 NG - 8 Ohm

Art. No. 1000

Cone tweeter for the high-frequency range above 5000 Hz. Balanced frequency response with brilliant treble and high power handling. Due to the sealed rear no separate high-frequency range housing construction necessary. Especially suitable as replacement unit for many HiFi speakers.

*Gross price for private customers. Industrial prices are available on request.
Technical Data
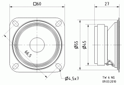
Sketch
Amplitude & Impedance Frequency
Directivity pattern
Nominal impedance Z 8 Ohm
Frequency response 1000–30000 Hz
Mean sound pressure level 91 dB (1 W/1 m)
Opening angle (-6 dB) 97°/8000 Hz
Excursion limit +/−0.5 mm
Resonance frequency fs 1500 Hz
Magnetic induction 0.8 T
Magnetic flux 70 µWb
Height of front pole-plate 2.5 mm
Voice coil diameter 14 mm
Height of winding 2.5 mm
Cutout diameter 56 mm
Net weight 0.14 kg
D.C. resistance Rdc 6.5 Ohm
Effective piston area Sd 17 cm²
Inductance of the voice coil L 0.17 mH
Connections 2.8 x 0.5 mm (+)/2.8 x 0.5 mm (-)
Peak power handling with high pass 100 W(12 dB/Okt.; 5000 Hz)
Nominal power handling with high pass 60 W(12 dB/Okt.; 5000 Hz)

Are you looking for a bespoke solution?

Contact us