*Gross price for private customers. Industrial prices are available on request.
Technical Data
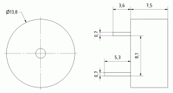
Sketch
Resonance frequency fs 4000 Hz
Net weight 1 g
Sound pressure level 80 dB (0.1 m)
Connections Solder pins
Eingangsspannung 12 VDC (9-16 VDC)
Temperature range −40 ... 85 °C

Are you looking for a bespoke solution?

Contact us