Technische Daten
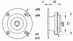
Zeichnung
Amplituden- und Impedanzfrequenzgang
Nennimpedanz Z 8 Ohm
Übertragungsbereich (-10 dB) 3000 - 38000 Hz
Mittlerer Schalldruckpegel 98 dB (1W/1m)
Resonanzfrequenz fs 5000 Hz
Magnetische Induktion 1,5 Tesla
Magnetischer Fluss 150 µ Weber
Obere Polplattenhöhe 2,5 mm
Schwingspulendurchmesser 1,6 cm
Wickelhöhe 0,25 cm
Schallwandöffnung 7,4 cm
Gewicht netto 0,37 kg
Gleichstromwiderstand Rdc 6,3 Ohm
Dynamische bewegte Masse Mms 0,11 g
Schwingspuleninduktivität L 0,15 mH
Musikbelastbarkeit mit Hochpassfilter 150 Watt (12 dB/Okt.; 7500 Hz)
Nennbelastbarkeit mit Hochpassfilter 100 Watt (12 dB/Okt.; 7500 Hz)

Suchen Sie nach einer maßgeschneiderten Lösung?

Kontakt