Haben Sie Fragen?

K 64 WPT - 8 Ohm

Art. No. 2921

6,4 cm (2,5") Breitbandlautsprecher mit Kunststoffkorb und Kunststoffmembran. Breiter Übertragungsbereich und gute Sprachverständlichkeit. Besonders geeignet für Anwendungen im Außenbereich und unter kritischen Umgebungseinflüssen (z.B. Feuchtigkeit). Version mit anderer Ausrichtung der Anschlussfahnen: siehe K 64 WP - 8 Ohm

*) IP-Schutzklasse für Frontseite bei Einbau in ein abgedichtetes Gehäuse

Anwendungsmöglichkeiten
  • Kontroll-Lautsprecher für elektronische Geräte
  • Kontroll-Lautsprecher im Außenbereich
Eigenschaften
  • wetterfest
  • UV-beständig
  • Kunststoff: ABS (Korb; UL 94: HB), Mylar (Membran)
  • Funktionstüchtig bei Kälte gemäß EN 60068-2-1/EN 50155
  • Lagerung bis -40 °C gemäß EN 60068-2-1/EN 50155
  • Funktionstüchtig bei feuchter Wärme (zyklisch) gemäß EN 60068-2-3/EN 50155
  • Funktionstüchtig bei trockener Wärme gemäß EN 60068-2-2/ EN 50155

WEEE-Reg.-Nr.: DE 79837685

*Bei den Preisen handelt es sich um Bruttopreise für Privatkunden. Auf Anfrage erhalten Sie die Industriepreise.
Technische Daten
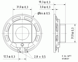
Zeichnung
Amplituden- und Impedanzfrequenzgang
Richtdiagramm
Nennbelastbarkeit 2 W
Musikbelastbarkeit 3 W
Nennimpedanz Z 8 Ohm
Übertragungsbereich (-10 dB) 200–15000 Hz
Mittlerer Schalldruckpegel 86 dB (1 W/1 m)
Abstrahlwinkel (−6 dB) 109°/4000 Hz
Grenzauslenkung +/−1 mm
Resonanzfrequenz fs 300 Hz
Magnetische Induktion 0,7 T
Magnetischer Fluss 45 µWb
Obere Polplattenhöhe 2 mm
Schwingspulendurchmesser 10 mm
Wickelhöhe 2,5 mm
Schallwandöffnung 60 mm
Gewicht netto 0,05 kg
Anschlüsse 2,8 x 0,5 mm (+)/2,8 x 0,5 mm (-)
IP Schutzklasse IP 65 *)
Temperaturbereich −40 ... 80 °C
Zubehör von: