Haben Sie Fragen?

K 70 - 8 Ohm

Art. No. 2973

7 cm (2,8") Breitbandlautsprecher mit hervorragendem Preis-Leistungs-Verhältnis für den Einbau in beengten Platzverhältnissen. Gleichmäßiger Frequenzgang und hoher Wirkungsgrad bei gleichzeitig geringer Einbautiefe. 

Anwendungsmöglichkeiten
  • Kontrolllautsprecher für elektronische Geräte
  • Modellbau
  • Kommunikationstechnik

WEEE-Reg.-Nr.: DE 79837685

*Bei den Preisen handelt es sich um Bruttopreise für Privatkunden. Auf Anfrage erhalten Sie die Industriepreise.
Technische Daten
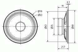
Zeichnung
Amplituden- und Impedanzfrequenzgang
Nennbelastbarkeit 2 W
Musikbelastbarkeit 3 W
Nennimpedanz Z 8 Ohm
Übertragungsbereich (-10 dB) 170-20000 Hz
Mittlerer Schalldruckpegel 85 dB (1 W/1 m)
Resonanzfrequenz fs 300 Hz
Obere Polplattenhöhe 2 mm
Schwingspulendurchmesser 13,7 mm
Wickelhöhe 2,8 mm
Schallwandöffnung 63 mm
Gewicht netto 65 g
Anschlüsse Lötösen
Temperaturbereich -20 ... 70 °C

Suchen Sie nach einer maßgeschneiderten Lösung?

Kontakt