*Bei den Preisen handelt es sich um Bruttopreise für Privatkunden. Auf Anfrage erhalten Sie die Industriepreise.
Technische Daten
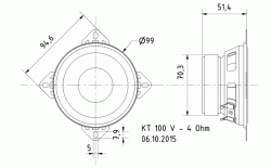
Zeichnung
Amplituden- und Impedanzfrequenzgang
Richtdiagramm
Nennbelastbarkeit 25 W
Musikbelastbarkeit 40 W
Nennimpedanz Z 4 Ohm
Übertragungsbereich (-10 dB) 32–9500 Hz
Mittlerer Schalldruckpegel 80 dB (1 W/1 m)
Maximaler linerarer Hub 2 mm
Grenzauslenkung 7 mm
Resonanzfrequenz fs 42 Hz
Obere Polplattenhöhe 3 mm
Schwingspulendurchmesser 25 mm
Wickelhöhe 7 mm
Schallwandöffnung 92 mm
Gewicht netto 0,466 kg
Gleichstromwiderstand Rdc 3,7 Ohm
Mechanischer Q-Faktor Qms 2,94
Elektrischer Q-Faktor Qes 0,69
Gesamt-Q-Faktor Qts 0,56
Äquivalentes Luftnachgiebigkeitsvolumen Vas 7,5 l
Effektive Membranfläche Sd 52,9 cm²
Dynamische bewegte Masse Mms 7,9 g
Antriebsfaktor Bxl 3,3 Tm
Schwingspuleninduktivität L 0,45 mH
Anschlüsse 4,8 x 0,8 mm (+)/2,8 x 0,8 mm (-)

Bestückung / Zubehör:

GITTER 10 RS

Schutzgitter aus schwarz lackiertem Metall. Zierring aus schwarzem Kunststoff.   Auf Anfrage auch in anderen Farben lackiert erhältlich.

Gitter 10 RS OL

Schutzgitter aus schwarz lackiertem Metall. Zierring aus schwarzem Kunststoff.


Passend für/Suitable for: FR 10, FR 10 HM, FR 10 HMP,
FR 10 F, FX 10, KT 100 V, PX 10, R 10 S, R 10 S TE, R 10
S-TR, R 10 SC, R 10 SC spezial

Suchen Sie nach einer maßgeschneiderten Lösung?

Kontakt