Haben Sie Fragen?

TI 100 - 8 Ohm

Art. No. 1271

10 cm (4") High-End-Tiefmitteltöner mit einem einzigartigen Membrankonus aus reinem Titan. Durch perfektes Zusammenspiel von Membranform, Sickenform und Sickenmaterial sowie den Klebstoffen werden Membranresonanzen vermieden. Die Form des Korbes mit großer Öffnungsfläche und hinterlüfteter Zentrierung sowie die offene Schwingspule mit Phase-Plug führen zu minimalen mechanischen Verlusten und damit zu einer hohen mechanischen Güte. Durch die Konstruktion mit Doppelmagneten ist der TI 100 - 8 Ohm gleichzeitig magnetisch kompensiert.   Der TI 100 - 8 Ohm ist ideal einsetzbar als Tiefmitteltöner in kleinen High-End-Regalboxen oder als Mitteltöner in High-End-Mehrwege-Boxen.

WEEE-Reg.-Nr.: DE 79837685

*Bei den Preisen handelt es sich um Bruttopreise für Privatkunden. Auf Anfrage erhalten Sie die Industriepreise.
Technische Daten
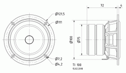
Zeichnung
Gehäuseempfehlungen
Amplituden- und Impedanzfrequenzgang
Richtdiagramm
Ausschwingverhalten
Membrannachgiebigkeit Cm 1,37 mm/N
Nennbelastbarkeit 40 W
Musikbelastbarkeit 60 W
Nennimpedanz Z 8 Ohm
Übertragungsbereich (-10 dB) fu–20000 Hz
(fu: untere Grenzfrequenz abhängig vom Gehäuse) .
Mittlerer Schalldruckpegel 86 dB (1 W/1 m)
Abstrahlwinkel (−6 dB) 120°/4000 Hz
Grenzauslenkung +/−4 mm
Resonanzfrequenz fs 62 Hz
Magnetische Induktion 1,2 T
Magnetischer Fluss 300 µWb
Obere Polplattenhöhe 4 mm
Schwingspulendurchmesser 21 mm
Wickelhöhe 8,5 mm
Schallwandöffnung 101 mm
Gewicht netto 1,16 kg
Gleichstromwiderstand Rdc 6,4 Ohm
Mechanischer Q-Faktor Qms 5,95
Elektrischer Q-Faktor Qes 0,44
Gesamt-Q-Faktor Qts 0,41
Äquivalentes Luftnachgiebigkeitsvolumen Vas 5,68 l
Effektive Membranfläche Sd 54,4 cm²
Dynamische bewegte Masse Mms 4,0 g
Antriebsfaktor Bxl 4,98 Tm
Schwingspuleninduktivität L 0,7 mH
Anschlüsse 4,8 x 0,8 mm (+)/2,8 x 0,8 mm (-)
Volumen/Prinzip BR-Rohr fb fc/QTC
3 l/geschlossen - - 106 Hz/0,7
5 l/geschlossen - - 90 Hz/0,6
5 l/Bassreflex BR 6.8 60 Hz -
10 l/Bassreflex BR 6.8 54 Hz -

Bestückung / Zubehör:

ARIA

Die ARIA ist eine kleine 2-Wege Regalbox mit dem High-End Tiefmitteltöner TI 100 - 8 Ohm und der Hochtonkalotte G 20 SC - 8 Ohm. Sie eignet sich sowohl als Satellit in Stereo-Systemen als auch für den Einsatz in Mehrkanalsystemen. Dabei kann sie als Center- oder Effektlautsprecher mit größeren Hauptlautsprechern wie z.B. der VOX 200 kombiniert oder auch auf allen Kanälen eingesetzt werden. Die untere Grenzfrequenz liegt bei 75 Hz, d.h. der Tiefbassbereich sollte von einem aktiven Subwoofer übernommen und die Satelliten mit einem Hochpass geschützt bzw. in Mehrkanalsystemen im Small-Mode angesteuert werden. 

Bei Aufstellung direkt an einer Wand oder im Regal kann das Bassreflexrohr bedämpft oder verschlossen werden, um die dabei entstehende Tieftonanhebung zu kompensieren.

Art. No. 5945

ARIA 2

Die ARIA 2 ist eine kleine 2-Wege Regalbox mit zwei High-End Tiefmitteltönern TI 100 - 8 Ohm und der Hochtonkalotte G 20 SC - 8 Ohm. Sie eignet sich sowohl als Satellit in Stereo-Systemen als auch für den Einsatz in Mehrkanalsystemen. Dabei kann sie als Center- oder Effektlautsprecher mit größeren Hauptlautsprechern wie z.B. der VOX 200 kombiniert oder auch auf allen Kanälen eingesetzt werden. Die untere Grenzfrequenz liegt bei 75 Hz, d.h. der Tiefbassbereich sollte von einem aktiven Subwoofer übernommen und die Satelliten mit einem Hochpass geschützt bzw. in Mehrkanalsystemen im Small-Mode angesteuert werden. 

Bei Aufstellung direkt an einer Wand oder im Regal kann das Bassreflexrohr bedämpft oder verschlossen werden, um die dabei entstehende Tieftonanhebung zu kompensieren.

Art. No. 5946

ARIA 2 KE

Diese Variante der ARIA 2 wurde im Hochtonbereich alternativ mit dem KE 25 SC - 8 OHM bestückt und die Frequenzweiche entsprechend angepasst.

Ein Komplettbausatz zu diesem Bauvorschlag kann unter info-vcmailorder@gmx.de angefragt werden.

ARIA 2 MHT CENTER

Der ARIA 2 MHT CENTER ist mit der beliebten Chassiskombination bestehend aus TI 100 - 8 Ohm und MHT 12 - 8 Ohm bestückt. Aufgrund dieser Bestückung und seines linearen Frequenzganges eignet er sich hervorragend als Ergänzung z.B. der VOX 253 MTI oder der TOPAS zu einer High-End-Heimkinoanlage. Wie von der Chassisanordnung der ARIA 2 gewohnt, befindet sich der Magnetostat in der Mitte der schlanken Schallwand, gesäumt von den beiden Titan-Tiefmitteltönern. Im Gegensatz zu Center-Lautsprechern mit echter D'Appolito-Anordnungeignet sich der ARIA 2 MHT CENTER bestens für die horizontale Positionierung z.B. über oder unter dem Fernseher, da er ein wesentlich geringeres Maß an Bündelung aufweist. Verantwortlich hierfür zeichnet die raffinierte 2,5-Wege-Weichenschaltung. Sie trennt den einen der beiden Tiefmitteltöner schon bei 1800 Hz, während der zweite erst ab 4500 Hz die hohen Frequenzen dem Magnetostaten überlässt. Diese unterschiedliche Behandlung der beiden TI 100 - 8 Ohm verhindert eine ausgeprägte Richtcharakteristik, die bei einer vertikal positionierten D'Appolito-Anordnung zwar erwünscht ist, bei einem horizontal ausgerichteten Center aber unbedingt vermieden werden sollte. Dadurch können alle Plätze im Heimkino fast gleichmäßig beschallt werden.

Art. No. 5947

ARIA KE

Diese Variante der ARIA wurde im Hochtonbereich alternativ mit dem KE 25 SC - 8 Ohm bestückt und die Frequenzweiche entsprechend angepasst. 

Ein Komplettbausatz zu diesem Bauvorschlag kann unter info-vcmailorder@gmx.de angefragt werden.

CLASSIC 200

Wie der Name CLASSIC 200 bereits vermuten lässt, wurde bei dieser Box die klassische 3-Wege Bestückung eingesetzt: ein Tieftöner, ein Konusmitteltöner und eine Hochtonkalotte, alle vorn auf der Schallwanddicht übereinander angeordnet. Mit dem AL 200 - 8 Ohm, dem TI 100 - 8 Ohm und der KE 25 SC - 8 Ohm wurden die besten Chassis der jeweiligen Kategorie aus dem VISATON-Programm ausgewählt. Das Gehäuse ist für eine Standbox recht klein gehalten, so dass eine Platz sparende Aufstellung auch in kleinen Wohnzimmern möglich ist.

Der Wirkungsgrad der CLASSIC 200 ist für eine Box dieser Größe ausgezeichnet. Das ist möglich, weil eine schlankere Bassabstimmung gewählt wurde. Im Vergleich zur VOX 200, die fast die gleiche Bestückung hat, ist die untere Grenzfrequenz etwas höher gewählt worden. Das kommt den Freunden des trockenen , präzisen Basses sehr entgegen. Der Unterschied liegt darin, dass durch die CLASSIC 200 die fast immer vorhandenen tieffrequenten Raumresonanzen weniger angeregt werden und diese damit nicht lange störend nachschwingen können.

Auch die anderen Chassis sind über jeden Zweifel erhaben und ergänzen das Klangbild mit analytischen Mitten sowie glasklaren, unaufdringlichen und seidigen Höhen.

Art. No. 5964

CLASSIC 200 GF

Mit der CLASSIC 200 GF bietet Visaton einen sehr interessanten Einstieg in den High-End Musikgenuss. Die hochwertigen Komponenten wurden unter dem Gesichtspunkt eines optimalen Preis-Leistungs-Verhältnisses ausgewählt, ohne dabei die hohen Qualitätsansprüche aus den Augen, oder besser gesagt, aus den Ohren zu verlieren.

Unterstützt durch die frontseitige Bassreflexöffnung verarbeitet der GF 200 - 2 x 4 Ohm die tieffrequenten Signale in dieser klassischen 3-Wege-Kombination. Aufgrund seiner extrem steifen Glasfasermembran und der Langhub-Gummisicke ist absolute Pegelfestigkeit auch bei großen Hüben gewährleistet.

Im Mittelton kommt mit dem TI 100 - 8 Ohm - eines der besten Visaton Chassis - zum Einsatz. Der sehr leichte und steife Titankonus ist eine Referenz in Sachen verzerrungsfreier und detailreicher Musikwiedergabe.

Ab 2200 Hz übernimmt die Gewebekalotte G 20 SC - 8 Ohm und stellt ihren Betrieb erst weit oberhalb hörbarer Frequenzen (30 kHz) wieder ein.

Das Ergebnis ist ein sehr hochwertiger, perfekt harmonierender Schallwandler, der mit seinen moderaten Ausmaßen wohnzimmertauglichen High-End Musikgenuss beschert.

Art. No. 5962

TOPAS

 

TI 100 - 8 Ohm und MHT 12 - 8 Ohm sind wohl zwei der besten Chassis aus dem VISATON Programm. Die Redaktion Hobby HiFi entwickelte damit die TOPAS, die beide Chassis in einer zierlichen, außergewöhnlichen Box vereinigt und zeigt, dass sie hervorragend miteinander harmonieren. Im Vergleich zum Originalvorschlag der Hobby HiFi haben wir die Weiche geringfügig modifiziert, um einen etwas wärmeren Klang zu erreichen und auf Dauer ermüdungsfreien Hörgenuss zu gewährleisten. Durch eine veränderte Bedämpfung konnte außerdem das Gehäuse vereinfacht und die Unterdrückung der Resonanzen verbessert werden. 

Nicht nur die räumliche Wirkung und die Abbildungsgenauigkeit sind hervorragend, auch der Übertragungsbereich ist außergewöhnlich groß. Die obere Grenzfrequenz liegt bei 40 kHz und damit weit außerhalb des hörbaren Bereichs. Die untere Grenze von 35 Hz ist für einen 10 cm Tieftöner erstaunlich tief. Ermöglicht wird das durch eine Gehäuseabstimmung im Grenzbereich zwischen Bassreflex und Transmissionline. So tiefe Frequenzen können vom kleinen TI 100 - 8 Ohm natürlich nur mit begrenzter Lautstärke wiedergegeben werden. Membranfläche und Hub bestimmen hier die physikalischen Grenzen. Die TOPAS ist also kein Lautsprecher für laute Rockmusik oder Actionfilme. Aber wie oft hören wir bei Vorführungen größerer Boxen von Gästen: "Ist ja sehr beeindruckend, aber zu Hause kann ich nicht annähernd so weit aufdrehen". Genau für diese Leute ist die TOPAS gemacht. Klein und schnuckelig und trotzdem ein Tiefbass, der kritische Hörer zunächst nach einem versteckten Subwoofer suchen lässt. 

Die Belastbarkeit der TOPAS beträgt nach dem Normmessverfahren 40 / 60 Watt. Das bedeutet aber auf keinen Fall, dass der Verstärker keine höhere Ausgangsleistung haben darf. Auch Verstärker mit vielfacher Leistung sind möglich, wenn man verantwortungsvoll mit dem Lautstärkeregler umgeht und nur so laut hört, dass der Klang noch sauber ist. Die TOPAS sollte vor kleinen Kindern und angeheiterten Partygästen in Sicherheit gebracht werden.

 

Art. No. 5924

VOX 200

Die VOX 253 ist bekanntlich eine Box mit außerordentlichen Qualitäten. Obwohl sie recht schlank ist, wünscht sich der eine oder andere (oder besser: die eine oder andere) unauffälligere Gehäuse. Eine kleinere Box mit vergleichbaren Eigenschaften zu konstruieren, ist eine große Herausforderung. Die Voraussetzung dafür ist, bei der Verringerung der Abmessungen alle wichtigen Merkmale beizubehalten. Das heißt: Tieftöner in der Seitenwand, D'Appolito Anordnung zweier Konus-Chassis mit Metallmembran und Kalottenhochtöner in der Mitte. Als Basslautsprecher bietet sich der exzellente AL 200 - 8 Ohm und als Hochtöner die schon in der COUPLET bewährte G 20 SC - 8 Ohm an. Ein 10 cm High-End-Konuschassis mit Metallmembran musste eigens entwickelt werden. Es ist nach langer Entwicklungszeit ein ganz hervorragender Tief-Mitteltöner mit einem Konus aus reinem Titan entstanden, der dem AL 130 - 8 Ohm mindestens ebenbürtig ist. Alle Gehäusemaße der großen VOX sind um den selben Betrag reduziert worden und herausgekommen ist eine fast zierlich zu nennende kleine Standbox: die VOX 200.

Die Übernahmefrequenzen von 200 Hz und 3000 Hz sind beibehalten worden. Vor allem der großzügig dimensionierte Bassreflextunnel ist auch vorhanden. Somit sind alle Bedingungen für eine würdige kleine Schwester der VOX 253 gegeben. Natürlich kann die VOX 200 nicht ganz mithalten, wenn es um brutale Tiefbass-Attacken geht, die die 253 locker wegsteckt. Das ist in Räumen normaler Größe oft gar nicht nötig und erwünscht. Auf alle Fälle traut man der kleinen Box die Bassgewalt, zu der sie tatsächlich fähig ist, gar nicht zu, bis man sie gehört hat.

Im Mittel- und Hochtonbereich sind kleinere Lautsprecher eher vorteilhaft. So auch bei der VOX 200: Der Klang löst sich perfekt von der Schallwandund bildet ein stabiles, völlig pegelfestes Klangbild im Raum ohne Verfärbung. Auch die G 20 SC - 8 Ohm beweist wieder einmal, zu welcher wunderschönen perlenden Höhenwiedergabe ohne jegliche Schärfe sie in der Lage ist.

Wer sich mit großen Boxen nicht so recht anfreunden kann, sollte sich die VOX 200 unbedingt anhören!

Art. No. 5905

VOX 253 MTI

Die VOX 253 MTI ist das aktuelle Highlight der VOX-Serie. Die kompromisslose Bestückung mit dem TI 100 - 8 Ohm als Tief-Mitteltöner und dem MHT 12 - 8 Ohm als Hochtöner überzeugte bereits in der Topas. Dem Konstruktionsprinzip der VOX-Reihe folgend arbeiten hier zwei TI 100 - 8 Ohm als Tief-Mitteltöner und der TIW 250 XS - 8 Ohm als Tieftöner.

Die Frequenzweiche der VOX 253 MTI bietet die Möglichkeit, den Basspegel zu korrigieren. Je nach Raumbedingungen und persönlichem Geschmack kann der Bass z.B. bei wandnaher Aufstellung der Boxen zu stark sein. Das auf der Weiche parallel vor dem Tieftöner liegende Korrekturglied bietet die Möglichkeit, den Pegel im Bereich zwischen 70 Hz und 150 Hz anzupassen. Der Tiefbass wird dabei nicht beeinflusst. Mit der Größe des Widerstandes wird die Wirkung beeinflusst: 10 Ohm für geringe Bassabsenkung und 3,3 Ohm für maximale Bassabsenkung. Bleibt das Korrekturglied offen (ist also der Widerstand unendlich), ist die Basspegelabsenkung deaktiviert.

Art. No. 5987

Suchen Sie nach einer maßgeschneiderten Lösung?

Kontakt