Do you have any questions?

ARIA 2

Art. No. 5946

Building instruction

Exploded drawing

Assembly

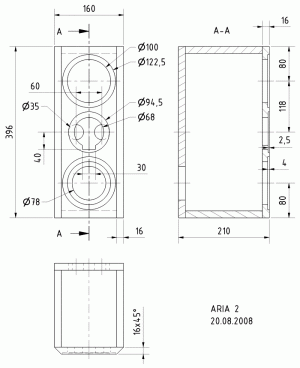
The cabinet body uses 16 mm boards. First of all, cut the holes in the boards and apply the bevels. This can be done using an electric jigsaw or hand-held circular saw set to the required angle. Once the cabinet has been completed, apply the milling work for the loudspeaker. Finally, fit the cones.

Since the cabinets are relatively small, it is hardly possible to mount the crossover inside the housing. It can, however, simply be wrapped in damping material and placed inside the speaker if the rear wall is not removable.

Inner damping

The damping material is loosely arranged in the cabinet.

Cabinet parts list for 1 box

Parts
Size (mm)
Quantity
Material: 16 mm chipboard or MDF
Front and rear panel
396 x 160
2
Side panel
396 x 178
2
Top and bottom panel
178 x 128
2

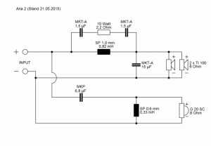
Crossover

Press

Extract from HobbyHiFi

"Verdict: By making the universally applicable Aria 2 available, VISATON has enriched the existence of DIY speaker builders by a considerable amount. Even with a stand-alone compact speaker, the Aria 2 puts on a remarkably good show but in conjunction with a suitable bass driver it will wipe the board. This makes it eminently suitable for a step-by-step approach. A user could start by building a couple of Aria 2's, later on add a subwoofer and, after that, add a third Aria 2 as a centre speaker to make an entry into the world of surround systems a suitable Aria dipole speaker for the surround channels is also to be found in the VISATON catalogue."

Do you have any questions?

Contact us