Do you have any questions?

VOX 250 LIGHT

Building instruction

Exploded drawing

Assembly

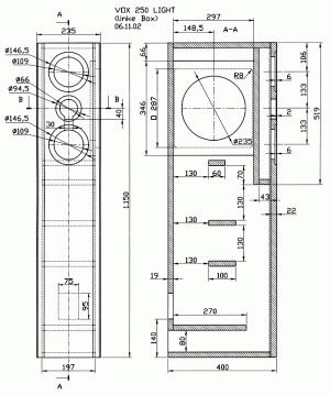
At first sight, the construction of the VOX 250 LIGHT looks complicated, which is why it is worth looking at each internal part individually first. In the lower part of the cabinet, you can see the tunnel, made up of the base and an upper board. In the middle, there are three cross-reinforcements. At the top of the cabinet, behind the cut-out in the baffle for the mid- to high-range unit, is the enclosure required for the mid-range cone, made up of two wooden boards. Three 8 mm holes has to be drilled into the rear board of the mid-range enclosure for the connection leads. These holes have to be sealed well.

Fitting the GF 250 into the side is a special feature. The mounting board for the GF 250 (346 x 297 with a 235 mm cut-out) itself is glued in place from inside behind the square cut-outs in the corresponding side panel. This means that the bass driver can be sunken by 19 mm (19 mm = thickness of the boards). For optical reasons, and to enable the cloth-covered frame to be fitted exactly in place, the side panel cut-out must be made extremely accurately. The frame can be made from a 12 mm board, in which a cut-out is made the same size as the outer diameter of the GF 250 outer edge. The outer dimensions of the frame should be exactly 1 mm smaller than the opening in the side panel all round. In this way, the frame is jammed in place by the fabric used to cover it and alternative fixing methods (frame dowels) are not necessary. 

The crossover unit is mounted on the side panel behind the bass port.

Inner damping

The damping uses one mat placed in the medium range cabinet. The remainder is evenly distributed throughout the cabinet. The area above the tunnel opening (at the rear of the front panel) up to the lower edge of the reinforcement remains free. If, as a result of the acoustics in the room, the low-range bass is too powerful, damping this area will have a corresponding effect on the overall bass output level.

Cabinet parts list for 1 box

Parts
Size (mm)
Quantity
Material: 19 mm MDF or chipboard
Side panels
1150 x 378
2
Bottom panel
197 x 378
1
Rear panel
197 x 1051
1
Top panel
197 x 359
1
Bass reflex channel
197 x 270
1
Brace
197 x 100
2
Brace
197 x 60
1
Midrange rear panel
197 x 500
1
Midrange bottom panel
197 x 43
1
Mounting board woofer
346 x 297
1
Material: 22 mm MDF or chipboard
Front panel
1150 x 235
1
Material: 12 mm MDF or chipboard
Grille board
285 x 285
1

Crossover

Do you have any questions?

Contact us