Do you have any questions?

BF 37 - 4 Ohm

Art. No. 2260

3.7 cm (1.5") fullrange speaker with a wide and balanced frequency response and very good low range reproduction. With powerful Neodymium driver and high membrane excursion limit, optimized for small vented enclosures/enclosures with passive radiator. Suitable for applications where slim construction and good music and speech reproduction are requested.

Typical applications
  • Flat TVs
  • Info terminals
  • other compact devices speech and music reproduction

WEEE-reg. no.: DE 79837685

*Industrial prices are available on request.
Technical Data
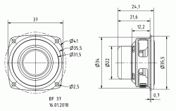
Sketch
Amplitude & Impedance Frequency
Directivity pattern
Rated power 5 W**)
Nominal impedance Z 4 Ohm
Frequency response 100–20000 Hz
Mean sound pressure level 74 dB (1 W/1 m)
Excursion limit +/-3.4 mm
Resonance frequency fs 155 Hz
Net weight 33.1 g
D.C. resistance Rdc 3.8 Ohm
Mechanical Q factor Qms 5.11
Electrical Q factor Qes 0.86
Total Q factor Qts 0.74
Equivalent volume Vas 0.06 l
Effective piston area Sd 6.2 cm²
Dynamically moved mass Mms 1.0 g
Force factor Bxl 1.99 Tm
Inductance of the voice coil L 0.17 mH
Connections Solder lugs
Protective system IP X4 *)

*) IP protection class for front side when built into a sealed enclosure (gluing of the loudspeaker and a front cover (grille) might be necessary)
**) measured in free air configuration with IEC 60268-2 adjusted broadband stimulus signal (fl = 300 Hz, fu = 6000 Hz)

Are you looking for a bespoke solution?

Contact us