Do you have any questions?

EX 60 R - 8 Ohm

Art. No. 4546

Electro dynamical exciter for stimulating bending waves on plates. The unit can be attached to the surface of the plate by gluing or screwing.

Please find further information on exciters here: 
Basic principles of exciter-technology (PDF; 388 KB)

Typical applications
  • Signal output in every application where normal speakers can not be installed for optical reasons or for protection against environment conditions or vandalism.
Attributes
  • Complies with standard EN 60068-2-14 (change of temperature, cyclic: -40 °C/+80 °C)
  • Complies with standard EN 61373 (vibration, shock: category 1/class B)

WEEE-reg. no.: DE 79837685

*Industrial prices are available on request.
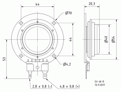
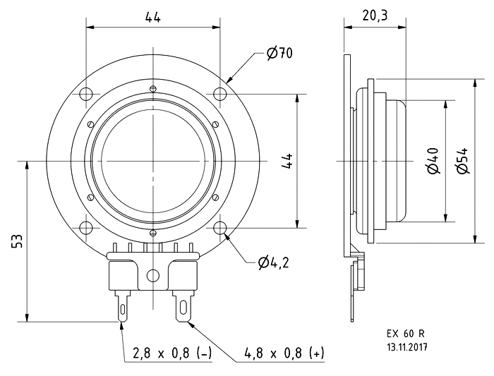
Technical Data
Sketch
Maximum power 25 W *)
Nominal impedance Z 8 Ohm
Voice coil diameter 32.5 mm
Net weight 0.125 kg
Connections 4.8 x 0.8 mm (+)/2.8 x 0.8 mm (-)
Temperature range -25 ... 70 °C

*) Maximum long term power according to DIN EN 60268-5

Accessory from: