Haben Sie Fragen?

SC 4.7 ND - 4 Ohm

Art. No. 8047

Magnetisch abgeschirmter 4 x 7 cm (1,6" x 2,8") Breitbandlautsprecher mit gutem Wirkungsgrad und ausgeglichenem Frequenzgang mit klarer Hochtonwiedergabe. Minimale Einbauabmessungen durch Verwendung eines Neodym-Magnetsystems. Zu den Anwendungsbereichen zählen Einbaulösungen auf geringstem Raum in Fernsehern sowie in PCs.

Anwendungsmöglichkeiten
  • Video-Monitore
  • Fernsehgeräte
  • Kontroll-Lautsprecher für elektronische Geräte
Eigenschaften
  • Feuchtigkeitsimprägnierte Membran
  • Metallausführung
  • magnetische Abschirmung

WEEE-Reg.-Nr.: DE 79837685

*Bei den Preisen handelt es sich um Bruttopreise für Privatkunden. Auf Anfrage erhalten Sie die Industriepreise.
Technische Daten
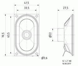
Zeichnung
Amplituden- und Impedanzfrequenzgang
Richtdiagramm
Nennbelastbarkeit 2 W
Musikbelastbarkeit 4 W
Nennimpedanz Z 4 Ohm
Übertragungsbereich (-10 dB) 220–20000 Hz
Mittlerer Schalldruckpegel 81 dB (1 W/1 m)
Abstrahlwinkel (−6 dB) 180°/4000 Hz hor.180°/4000 Hz ver.
Grenzauslenkung +/−0,5 mm
Resonanzfrequenz fs 360 Hz
Magnetische Induktion 0,7 T
Magnetischer Fluss 60 µWb
Obere Polplattenhöhe 2 mm
Schwingspulendurchmesser 14 mm
Wickelhöhe 2 mm
Schallwandöffnung 35 x 65 mm (oval)
Gewicht netto 0,041 kg
Gleichstromwiderstand Rdc 3,6 Ohm
Mechanischer Q-Faktor Qms 5,42
Elektrischer Q-Faktor Qes 5,81
Gesamt-Q-Faktor Qts 2,8
Äquivalentes Luftnachgiebigkeitsvolumen Vas 0,18 l
Effektive Membranfläche Sd 16 cm²
Dynamische bewegte Masse Mms 0,6 g
Antriebsfaktor Bxl 0,9 Tm
Schwingspuleninduktivität L 0,2 mH
Anschlüsse 4,8 x 0,5 mm (+)/2,8 x 0,5 mm (-)
Temperaturbereich –25 ... 70 °C

Suchen Sie nach einer maßgeschneiderten Lösung?

Kontakt