Do you have any questions?

EXPERIENCE V 20

Art. No. 5965

Building instruction

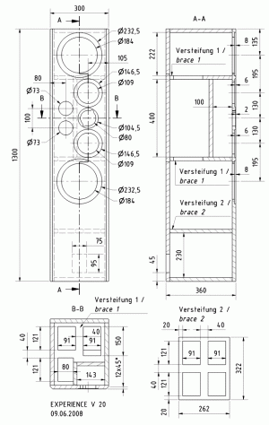
Exploded drawing

Assembly

As can be seen from the drawing, the EXPERIENCE V 20 cabinetconsists of straight-edged butt-jointed boards glued together. The inside of the speaker contains a medium range cabinet and three reinforcing boards. The reinforcing boards marked in the drawing with a "1" have three cut-outs each and serve at the same time as the tops and bases for the mid-range chamber. The board marked with a "2" has four cut-outs and is the lower reinforcement. The reinforcing boards have the same function as the cross-laths used in some other sample constructions, i.e. to stiffen parallel panels. Three holes are required of 8 mm diameter in the rear panel of the medium range chamber for the cables, as can be seen in the front view of the cabinet drawing through the cut-out for the lower mid-range driver. The two 73 mm cut-outs in the front baffle are for mounting the tubes, and the terminals are mounted in the square cut-out in the rear panel. The circuit board for the crossover unit is attached to the panel behind the lower bass cut-out.

Inner damping

One mat of damping material is used in the mid-range chamber, and the remaining mats are rolled or folded and placed inside the cabinet in such a way that only the area directly behind the two tubes is free. In order to prevent the mats slipping later, they should be clamped in the cut-outs of the reinforcing boards.

Cabinet parts list for 1 box

Parts
Size (mm)
Quantity
Material: 19 mm chipboard or MDF
Front and rear panel
300 x 1300
2
Side panels
322 x 1300
2
Top and bottom panel
322 x 262
2
Brace
322 x 262
3
Midrange rear panel
400 x 143
1
Midrange side panel
400 x 119
1

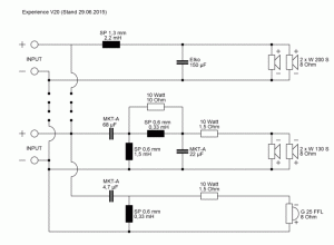
Crossover

Press

Extract from Stereoplay

The Experience V 20 was "the only one we tested that was able to produce really fruity, deep bass. Die Experience V 20 did not only provide muscle power but also a liveliness that was way out ahead during all the tests." "The VISATON Experience V 20 deserves the highest praise, because there has never been such tremendous listening pleasure at such a modest price before."

Category: absolutely top-of the-scale III Sound quality: excellent Verdict: "Sensational quality"/ Overall winner

Do you have any questions?

Contact us