Do you have any questions?

NoBox 170

Art. No. 5885

Building instruction

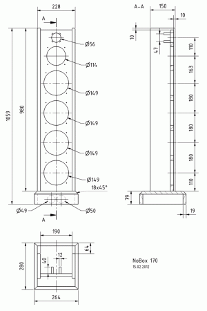
Exploded drawing

Assembly

The boards are cut out as given in the parts list and prepared as in the drawings, then stuck together as butt joints. We recommend using wooden splines to ensure sturdy joints between the baffle and the side walls.

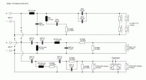
The plinth is also glued using butt joints and then either glued or screwed to the rest of the cabinet. The crossover is screwed in place in the plinth as are the connection terminals and output controls. A hole has to be drilled through the plinth base to pass all the cables through from the crossover to the drivers.

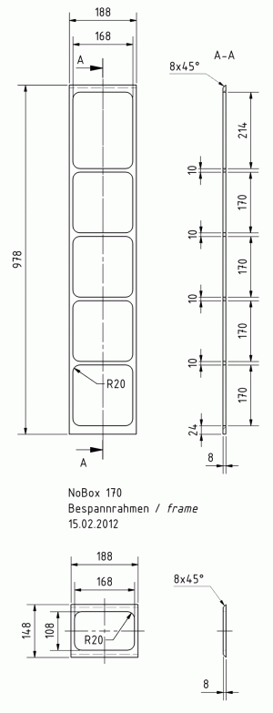
If a more conservative appearance is required, it is possible to make cover frames as shown in the drawing that can be fitted with special acoustic fabric (available to order) and fitted between the side walls. This enables a closed appearance from the font, back and top.

Cabinet parts list for 1 box

Parts
Size (mm)
Size (mm)
Material: 19 mm plywood or MDF
Front panel
970 x 190
1
Side panels
980 x 150
2
Base
264 x 280
1
Plinth front / back
2
Plinth sides
242 x 60
2
Material: 8 mm MDF
Frame, front / rear
188 x 978
2
Frame, top
188 x 148
1

Recommended accessories for 1 box:
Logs for mounting the rear tweeter: 4 pcs. of 40 mm length, 12 mm diameter

Sketch (frame)

crossover

Do you have any questions?

Contact us