Do you have any questions?

CT CENTER 200

Building instruction

Exploded drawing

Assembly

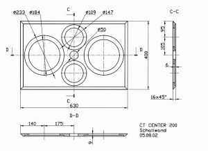
The cabinet consists of 19 mm boards and a 16 mm thick double baffle. The side panels of the medium range chamber are, at the same time, cabinet stiffeners. It is for this reason that the boards are "T" shaped. First of all, make the necessary cut-outs in the cabinet panels and especially the chamfers on the double baffle. Once the speaker has been completed, cut out the spaces for the woofer and the mid-range drivers. Finally, fit the speakers into the cabinet.

Inner damping

The damping of the speaker uses half a mat of damping material pushed into the medium range cabinet. The remainder is pushed into the bass chamber.

Cabinet parts list for 1 box

Parts
Size (mm)
Quantity
Material: 19 mm chipboard or MDF
Front and rear panel
400 x 630
2
Side panel
192 x 362
2
Top and bottom panel
192 x 630
2
Midrange rear panel
120 x 362
1
Midrange side panel
192 x 362
2
Material: 16 mm MDF or wood
Double baffle
400 x 630
1

Crossover

Mounting SC 4 ND

Do you have any questions?

Contact us