Do you have any questions?

CT DIPOL 130

Building instruction

Exploded drawing

Assembly

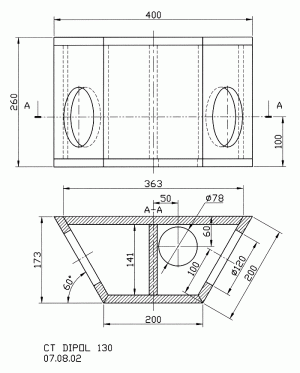
The cabinet consists of a main section with a trapezoidal base made from 16 mm boards and two double baffles also from 16 mm material. The body contains two enclosed cabinets, separated from each other by a partition. It is necessary to make a left-hand and a right-hand dipole chamber. The difference between them is which chamber houses the terminals. The connection must always be in the front chamber due to the crossover distribution, in other words in the chamber that points towards the main loudspeaker. Whether you then mount the terminals in the top cover or on the floor does not matter and can be adapted to suit the cable run. To build the cabinets, first cut the chamfers on the side pieces, the front and the rear panels and shape the top and bottom to produce the required trapezoidal form. Then cut out the holes in the side pieces and top / bottom and in the double baffles and chamfer the double baffles. Once the body has been glued together, the double baffles are fitted in place and, if possible, the cut-outs for the mid-bass drivers. Finally, fit the speakers into the cabinet, ensuring that the connections to the crossovers are correct.

Inner damping

Half a mat of damping material is loosely pushed into each chamber of the dipole cabinet.

Cabinet parts list for 1 box

Parts
Size (mm)
Quantity
Material: 16 mm chipboard or MDF
Rear panel
363 x 228
1
Front and side panel
200 x 228
3
Top and bottom panel
400 x 173
2
Partition
141 x 228
1
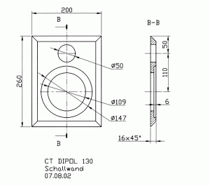
Material: 16 mm MDF or wood
Double baffle:
200 x 260
2

Crossover

Mounting SC 4 ND

Do you have any questions?

Contact us