Do you have any questions?

CT MAIN 170

Building instruction

Exploded drawing

Aufbau

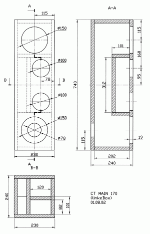
The cabinet consists of 19 mm boards and a 16 mm double baffle. The side piece, top and base of the medium range chamber are, at the same time, cabinet stiffeners. First of all, make the necessary cut-outs in the cabinet panels and apply the chamfers to the double baffle. Once the cabinet has been made up, prepare the mounts for the woofer and the mid-range drivers. Finally, fit the speaker drivers. If required, a stand can be made using the same size as the cabinet base to the required height.

Inner damping

The damping of the speaker uses half a mat of damping material stuffed into the medium range cabinet. The rest is used for the bass section.

Cabinet parts list for 1 box

Parts
Size (mm)
Quantity
Material: 19 mm chipboard or MDF
Front and rear panel
230 x 740
2
Side panel
202 x 740
2
Top and bottom panel
202 x 192
2
Midrange rear panel
Midrange rear panel
120 x 312
1
Midrange side panel
202 x 312
1
Midrange top and bottom panel
192 x 101
2
Material: 16 mm MDF or wood
Double baffle
230 x 740
1

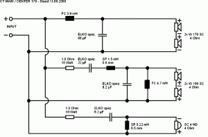
Crossover

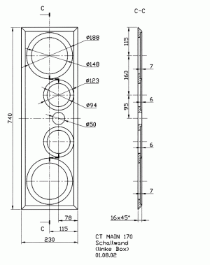
Mounting SC 4 ND

Do you have any questions?

Contact us