Do you have any questions?

CT SUB 80

Building instruction

Assembly

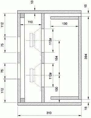
In order to fit the woofers, the rear panel has to be removable and mounted in an all-round frame made of wooden laths. The two crossovers are mounted on the inside of the rear panel beside the twin BT 95/75terminals. On the terminal manifolds, two screw terminals are used for the inputs and the others for connecting the satellite speakers. The connections should be marked on the outside to prevent miswiring.

Inner damping

With a speaker of this small size and the long wavelength, no damping is necessary.

Cabinet parts list for 1 box

Parts
Size (mm)
Quantity
Material: 13 mm chipboard
Baffle and rear panel
214 x 424
2
Side panel
214 x 310
2
Top and bottom panel
310 x 450
2
Front panel
214 x 394
1
Bass-reflex channel board
130 x 214
2
Lath
214 x 20 x 20
2
Lath
384 x 20 x 20
2

Crossover

Do you have any questions?

Contact us