Do you have any questions?

MB 115/H

Building instruction

Exploded drawing

Assembly

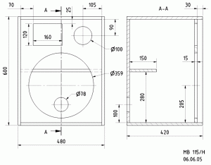
If the speakers are likely to be transported frequently, it is advisable to make the cabinets out of multilayer board with a thickness of just 15 mm. This will keep the speakers very light and yet sturdy in case they are knocked in use. The final surface could then be either non-scratching 2-component paint or even carpet. Corner reinforcers are useful for stacking or just to protect the corners. In the drawing, we have shown the ST 77 terminals. The more professional solution, however, would be a terminal plate with two XLR or Speakon sockets. This way the signals can be passed through to other speakers. Of course, for transport purposes, carrying handles in the sides and a flange in the base for a stand are essential extras. The front baffle is moved 30 mm back, in order to protect the driver. Additionally, a grille can also be fitted to the woofer (the grille and other accessories mentioned are all available in musician's shops).

Inner damping

The damping simply uses four mats of damping material placed in the cabinet behind the woofer.

Zuschnittliste für 1 Box

Parts
Size (mm)
Quantity
Material: 15 mm plywood
Front / rear panel
450 x 570
2
Top / bottom panel
450 x 420
2
Side panels
600 x 420
2
Brace
150 x 450
1

Crossover

Do you have any questions?

Contact us