Do you have any questions?

PA 115 H

Art. No. 5876

Building instruction

Exploded drawing

Building instructions

If the speakers are likely to be transported frequently, it is advisable to make the cabinets out of multilayer board with a thickness of just 16 mm. This will keep the speakers very light and yet sturdy in case they are knocked in use. The ideal surface finish is a texture paint. The drawing shows terminal block ST 77. However, Speakon connectors are more professional. As one would expect, carrying handles in the side walls are an essential aid if the cabinets are frequently transported, as is the flange in the base for attaching to a stand. The acoustic baffle is moved 40 mm back, in order to protect the driver. Additionally, a grille can also be fitted to the subwoofer (this and other accessories mentioned are all available in musician‘s shops or online).

 

Inner damping

The inner damping of the speaker uses four mats of damping material loosely placed inside the cabinet, but without interfering with the bass reflex tube.

 


 

Parts list for one cabinet

Parts
Size (mm)
Quantity
Material: 16 mm chipboard or MDF
Front/ rear panel
448 x 568
2
Top / bottom panel
420 x 480
2
Side panels
390 x 568
2
Bracing for front
448 x 130
1
Bracing for back wall
218 x 60
1
Bracing for lid
162 x 60
1
Bracing for base
311 x 50
2

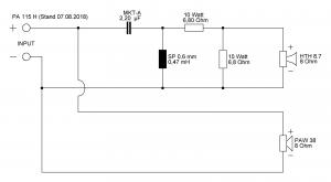
Crossover

Do you have any questions?

Contact us