Do you have any questions?

VIB 170 AL

Building instruction

Exploded drawing

Aufbau

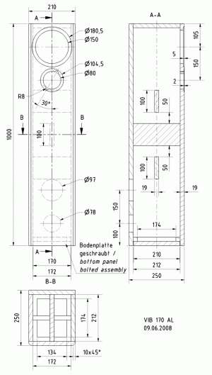
The cabinet consists of 19 mm medium density fibreboard (MDF) or chipboard, stuck together as butt joints. Inside the speaker there are three reinforcing boards to prevent the cabinet resonating. Since the bass reflextube can no longer be inserted through the bass speaker cut-out, due to the cabinet reinforcement, the base of the speaker is removable. To this end, a base and a frame mount are required. The frame is best manufactured from a board exactly the same size as the cross-sectional size of the cabinet, and with a cut-out in it. The base itself is exactly 1 mm smaller all round than the frame to enable it to be inserted with ease.

Bedämpfung

The inner damping of the speaker uses 5 mats of damping materialloosely placed inside the cabinet, but without interfering with the bass reflex tube. The frequency crossover unit is attached behind the bass cut-out on the rear cabinet wall.

Zuschnittliste für 1 Box

Parts
Size (mm)
Quantity
Material: 19 mm chipboard or MDF
Front / rear panel
1000 x 210
2
Side panels
1000 x 212
2
Top panel / frame
172 x 212
2
Brace
172 x 100
2
Brace
212 x 100
1
Bottom panel
210 x 170
1

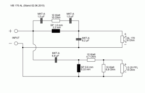
Crossover

Press

Extract from HiFi Test

"The show put on by the VISATON speakers in the listening room was very impressive as we really did not expect such good bass qualities from such small speakers: clear, crisp and deep,.... We also liked the impulsiveness and dynamic properties,.... It was the VIB 170 AL, however, that took the title due to its extremely pleasant but lively voice reproduction coupled with excellent spatial qualities of the whole sound range. 
Thanks to the excellent design of the VIB 170 AL, this company, based in Haan, Germany, has managed to bridge that chasm between size and sound properties."

Extract from Klang & Ton

"The remarkable depth achieved by this 17 centimetre woofer was the most noticeable feature especially in view of the really crisp output. Despite this, the combination did not neglect the mid-range which it presented in an extremely pleasant, lively and dynamic manner."

Extract from Heimwerkertest DIY magazine

"This finely balanced sound experience left a deep impression on the testers. The remarkable depth achieved by this 14 centimetre AL 170 was a very noticeable feature. Despite this, the dainty-looking column speaker did not neglect the mid-range which it presented in an extremely pleasant, lively and dynamic manner. In terms of its spatial qualities and accuracy it must be a length ahead of others in that price range and can certainly be favourably compared in every respect with far more expensive ready-made high-quality speakers."

Do you have any questions?

Contact us